Broadcom AS38-H39E-Sx Multi-Turn Absolute House Encoder
Broadcom AS38-H39E-Sx series encoder is a high-resolution optical absolute encoder that offers 23-bits single-turn and 16-bits multi-turn counts for a combined 39 bits high resolution. The AS38-H39E series encoder consists of a patterned disk, a light source, and photosensitive elements to translate the mechanical motion into an electrical signal. The Sxxx option encoders are preloaded with an SSI communication protocol supported by a full-duplex line transmissions drive (RS-485). This feature offers good noise immunity for more robust data transmission up to 1Mbps in harsh industrial applications.The Broadcom AS38-H39E series multi-turn tracking employs energy-harvesting technology by harvesting the magnetic energy as the encoder shaft rotates. It is the gearless multi-turn counting that eliminates the gear wear-out or acoustics noise issue that is encountered in conventional geared multi-turn encoders.
This technology does not require periodic maintenance of the battery backup components and its downtime. This product is intended for industrial application, and ESD protection circuitry has been added to achieve Class 3 ESD immunity per IEC -61000-4-2 standard. The AS38-H39E series is also compliant with IP50 per IEC 60529 standard.
Features
- 39-bits resolution: 16-bits energy-harvesting multi-turn and 23-bits optical single-turn
- Built-in SSI Mode communication protocol
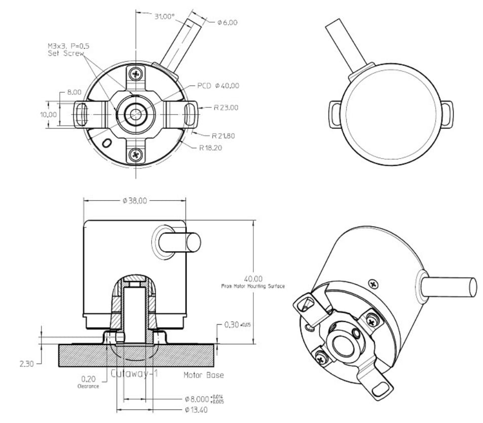
- Overall encoder outer diameter Ø38mm, and a maximum height of 40mm
- Supporting 8mm diameter of the blind hollow shaft
- No battery or capacitor is required for position detection during power failure
- Immediate position detection on power-up
Applications
- Robotics
- Factory automation
- Linear positioning system
- CNC machine tool
- Medical and lab equipment
- Wind turbine
Dimensions
Publié le: 2016-06-28
| Mis à jour le: 2025-01-24
