Bourns Détecteurs de courant shunt SSD
Les capteurs de courant à shunt SSD de Bourns sont des capteurs isolés 24 bits dotés d’une interface CAN bus ou RS-485/MODBUS. Ces capteurs affichent un courant nominal de 100 A à 1000 A (2 kA à 20 kA en crête), une isolation galvanique renforcée de 1500 VCC et intègrent une mémoire Flash ECC avec correction automatique des erreurs à un bit. Les capteurs SSD présentent également une tolérance de 0,1 %, et intègrent un microcontrôleur 16 bits qualifié pour 150 °C, ainsi qu’une détection des erreurs de données par CRC, interne et externe. Ces capteurs incluent une compensation de température non linéaire avancée pour les systèmes de batterie, les entraînements de moteurs, les énergies renouvelables et les applications de stations de recharge pour véhicules électriques.Caractéristiques
- détecteur de courant de shunt isolé 24 bits avec interface CANbus ou RS-485/MODBUS
- courant nominal de 100 A à 1 000 A (crête de 2 kA à 20 kA)
- Isolation galvanique renforcée de 1500 VCC
- Tolérance: 0,1 %
- Microcontrôleur 16 bits 150 °C
- ADC 24 bits avec entrées analogiques tamponnées
- Mémoire flash de conducteur de masse avec correction automatique des erreurs sur un seul bit
- Détection d'erreurs de données CRC internes et externes
- Compensation de température non linéaire avancée
Applications
- Systèmes alimentés par batterie
- Commandes de moteurs
- Énergies renouvelables
- Station de chargement EV
Caractéristiques techniques
- Courant nominal de ±100 A
- Courant de crête +2 kA/-1 kA (sans saturation)
- résistance de shunt 300 μΩ (à l’exception de la résistance de terminaison primaire)
- Bande passante 5 kHz
- Linéarité de <±0,1 % +="" 5 ma="" sur="" la="" plage="" de="">±0,1 %>
- Vitesse pouvant atteindre 1100 mesures par seconde (entre 0,9 ms à 3300 ms par mesure)
- Rigidité diélectrique de 3500 VCA efficaces (1 minute)
Vidéos
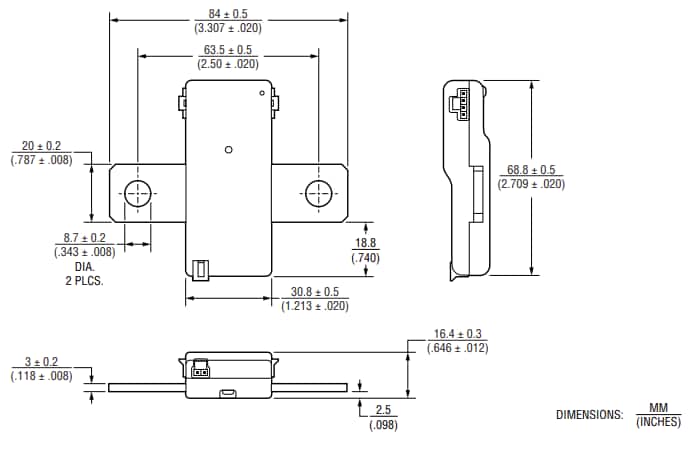
Dimensions
Fiches techniques
Publié le: 2024-06-28
| Mis à jour le: 2026-01-28
