Bourns Transformateur BMS SM91872AL
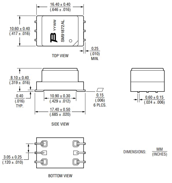
Le transformateur BMS SM91872AL de Bourns est conforme AEC-Q200 et offre une tension de fonctionnement pouvant atteindre 1 000 VCC et une tension d’isolation haut potentiel atteignant 4 000 VCA. Ce transformateur dispose d’une conception d’isolation renforcée monocanal et est construit avec un processus de surmoulage. Les caractéristiques supplémentaires du transformateur SM91872AL comprennent une plage de température de fonctionnement étendue de -40 °C à +125 °C, une distance d'isolement de 10 mm et des dimensions de 17,4 mm x 10,6 mm x 8,10 mm. Le transformateur BMS SM91872AL de Bourns est adapté aux systèmes de gestion de batterie et aux systèmes de stockage d’énergie.Caractéristiques
- Conforme AEC-Q200
- Entièrement automatisé avec procédé de surmoulage
- Haute fiabilité d'isolation dans une taille compacte
Applications
- Systèmes de gestion de batterie
- Systèmes de stockage d'énergie
Caractéristiques techniques
- Tension de fonctionnement jusqu’à 1 000 VCC
- Tension d’isolation haut potentiel de 4 000 VCA
- >10 mm de distance d'isolement, degré de pollution 2, groupe de matériaux CTI I
- Ligne de fuite > 10 mm, catégorie de surtension II
- Plage de température étendue de -40 °C à +125 °C
- Dimensions de 17,4 mm x 10,6 mm x 8,10 mm
- Plage de 150 µH à 450 µH OCL
- Isolation renforcée entre primaire et secondaire conformément aux normes CEI 60664-1 et CEI 62368-1
Dimensions
Disposition recommandée
Publié le: 2024-08-29
| Mis à jour le: 2024-08-29
