Bourns Transformateur LAN sur puce SM353230-181N7Y
Le transformateur LAN à puce SM353230-181N7Y de Bourns est compatible Ethernet IEEE 802.3, compatible 1G/2.5G/5G Base-T et offre une taille de 3,5 mm x 3,2 mm x 2,9 mm. Ce transformateur dispose de composants taraudés au centre bobiné sur un cœur de tambour et capturé avec une plaque de ferrite, émulant le résultat du chemin magnétique étroit d'un cœur toroïde. Cette série comprend des transformateurs discrets et des bobines d’arrêt en mode commun pour une disposition PCB flexible. Le transformateur LAN à puce SM353230-181N7Y de Bourns est idéal pour les dispositifs de télécommunications et de réseau à haut débit.Caractéristiques
- Compatible Ethernet IEEE 802,3
- Compatible avec 1G/2,5G/5G BASE-T
- Dimensions : 3,5 mm x 3,2 mm x 2,9 mm
- Transformateurs discrets et bobines d’arrêt en mode commun pour une disposition PCB flexible
- Bobine d’arrêt en mode commun de couplage SRF2012A-801Y pour réduction des EMI
- Plage de température de -40 °C à +85 °C
- Conforme à la directive RoHS et sans halogènes
- Idéaux pour les dispositifs de télécommunications et de réseau à haut débit
Applications
- Télécommunications haut débit
- Périphériques réseau
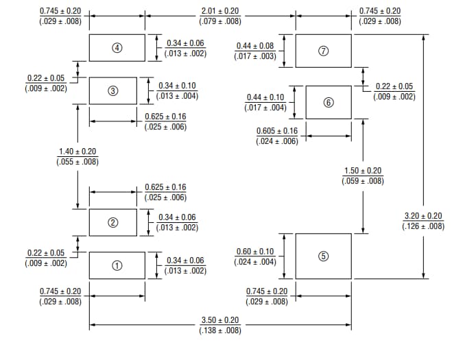
Dimensions des bornes - Vue de dessus
Publié le: 2021-01-11
| Mis à jour le: 2024-03-28
