Bourns Disjoncteurs SE (dispositifs de coupure thermique)
Les disjoncteurs SE de Bourns sont des dispositifs protecteurs thermiques (TCO) miniatures qui contrôlent les courants anormaux et excessifs de manière quasi instantanée jusqu'aux limites nominales. Ces dispositifs à montage en surface et à faible encombrement offrent une protection contre les surchauffes et les surintensités et proposent une large gamme d'options de température. Les disjoncteurs Bourns SE prennent en charge la caractéristique technique USB PD de 240 W (48 V / 5 A) et sont idéaux pour une utilisation dans les câbles USB Type-C™, les smartphones, les wearables, les équipements portables et ben plus encore.Caractéristiques
- dispositif tco miniature
- Monté en surface, petite empreinte
- Protection contre surchauffe et surintensité
- Contrôle un courant excessif anormal pratiquement instantanément, jusqu'aux limites nominales
- Large gamme de possibilités de température
- Haute résistance à la corrosion
- Prend en charge la caractéristique technique USB PD de 240 W (48 V / 5 A)
Applications
- Protection contre la surchauffe
- Câbles USB Type-C (240 W maximum)
- Smartphones
- Notebooks
- Radiateurs
- Protection des cellules de la batterie
- Wearables
- Équipement portable
Caractéristiques techniques
- Plage de température de déclenchement de +72 °C ±5 °C à +85 °C ±5 °C
- Température de réinitialisation minimale de +40 °C
- Courant de fuite maximal de 200 mA à +25 °C maximum
- Tension de contact de 9 VCC/ 25 A, 6 000 cycles
- Tension maximum de 54 VCC/ 5 A, 100 cycles
- Tension de maintien minimale
- 3 V à +25 °C pendant 1 minute
- 5 V à +25 °C pendant 1 minute
- Résistance maximale de 5 mΩ
Schéma du circuit
Structure du produit
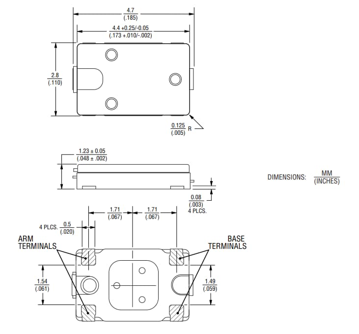
Dimensions
Publié le: 2026-01-12
| Mis à jour le: 2026-01-19
