Bourns Fusibles haute puissance PF-J POWrFuse™
Les fusibles haute puissance POWrFuse™ PF-J de Bourns délivrent un courant nominal de 30 A à 70 A avec une tension nominale pouvant atteindre 500 VCA et un pouvoir de coupure jusqu'à 2 kA. Les fusibles PF-J sont spécialement conçus pour répondre aux exigences de la norme UL 284-14 afin de protéger les systèmes en cas de températures ambiantes extrêmes ou de courant de défaut. La série est conforme à la directive RoHS, ne contient pas d'halogène et elle a une plage de température de fonctionnement de -55 °C à +125 °C. Les applications idéales pour les fusibles haute puissance POWrFuse PF-J de Bourns incluent les appareils ménagers et industriels, les convertisseurs de climatisation, les compresseurs de machine à glace et les compresseurs de déshumidificateur.Caractéristiques
- Conçu pour la norme supplémentaire UL 248-14
- Courant nominal de 30 A à 70 A
- Tension nominale de 500 VCA
- Pouvoir de coupure jusqu'à 2 kA
- Plage de température de fonctionnement de -55 °C à +125 °C
- Conforme à la directive RoHS et sans halogènes
Applications
- Industriel
- Appareils électroménagers
- Onduleurs de climatiseurs
- Compresseurs de machines à glace
- Compresseurs de déshumidification
Courbe de déclassement
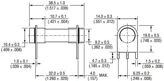
Dimensions
Publié le: 2022-07-06
| Mis à jour le: 2025-06-12
