Bourns Encodeur à anneau incrémentiel longue durée PER28
Le sélecteur à anneau incrémentiel longue durée PER28 de Bourns fournit un diamètre de boîtier de 28 mm avec une compatibilité de circuit 10 mA à 5 VCC et une sortie de code de quadrature 2 bits. Ce sélecteur incrémentiel à profil mince offre une rétroaction de détente tactile, une étanchéité à IP40 et un style de montage traversant. L'interface de bague permet l'illumination ou l'installation d'autres composants au centre. Les autres caractéristiques sont un cycle nominal de rotation de 50 000, une plage de résolution de 15 impulsions/tr, une vitesse de rotation maximale de 60 tr/min et une plage de température de fonctionnement de -30 °C à +80 °C. Le sélecteur à anneau incrémentiel longue durée PER28 de Bourns est idéal pour une utilisation dans les équipements médicaux et de laboratoire à faible/moyen risque, les applications d'éclairage et audio professionnelles ainsi que dans les commandes d'automatisation industrielle et d'autres applications où un encodeur de sélection de menu est requis.Caractéristiques
- Encodeur incrémentiel à profil mince avec un diamètre de boîtier de 28 mm
- Style de montage THT
- Retour de détente haptique
- Étanchéité de niveau IP40
- Conforme à la directive RoHS
Applications
- Consoles d'éclairage professionnelles
- Électroménager grand public
- Équipement médical et de diagnostic à risque faible/moyen
- Équipement de test et de mesures
- Équipement de communications
- Équipement de laboratoire
- Contrôles d'automatisation industrielle
Caractéristiques techniques
- Valeur nominale du nombre de cycles de rotation : 50 000
- Plage de résolution : 15 impulsions/tr
- Vitesse de rotation maximale de 60 tr/min
- Compatibilité des circuits 10 mA à 5 VCC
- Sortie de code de quadrature 2 bits
- Plage de température de fonctionnement : de -30 °C à +80 °C
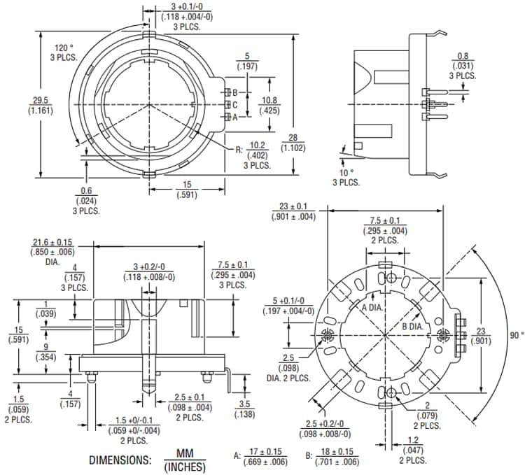
Dimensions
Publié le: 2021-04-28
| Mis à jour le: 2022-03-11
