Bourns Potentiomètres Micro-rotatifs PDB08
Les micro-potentiomètres rotatifs PDB08 de Bourns disposent d'un arbre en plastique, d'un profil mince, d'une détente centrale, d'un audio et de potentiomètres linéaires. Ces potentiomètres rotatifs comprennent une disposition de broches PC pour le montage sur carte et la conformité RoHS. Les potentiomètres PDB08 fonctionnent sur une plage de température de -10 °C à 60 °C et une tension maximale de 50 V. Ces potentiomètres rotatifs offrent une résistance maximale de 5 Ω, une puissance nominale de 0,03 W et un bruit de glissement maximal de 100 mV. Les applications standard comprennent les équipements audio professionnels, les consoles d'éclairage professionnelles, les électroménager grand public, les équipements de test et de mesure, les équipements de communications et les équipements de laboratoire.Caractéristiques
- Arbre en plastique
- Profil mince
- Détente du centre
- Potentiomètres audio et linéaires
- Agencement des broches PC pour montage sur carte
- Conforme à la directive RoHS
Caractéristiques techniques
- Plage de température de fonctionnement de -10 °C à +60 °C
- Tension de fonctionnement maximale de 50 V
- Résistance maximale de 5 Ω
- Puissance nominale de 0,03 W
- Bruit de glissement maximal de 100 mV
- Plage de résistance standard de 5 kΩ à 500 kΩ
Applications
- Équipement audio professionnel
- Consoles d'éclairage professionnelles
- Électroménager grand public
- Équipement médical et de diagnostic à risque faible/moyen
- Équipement de test et de mesures
- Équipement de communications
- Équipement de laboratoire
- Contrôles d'automatisation industrielle
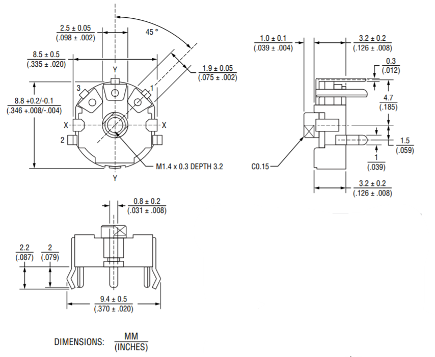
Plan mécanique
Publié le: 2021-05-07
| Mis à jour le: 2022-03-11
