Bourns Transformateur de puissance HCTSM150102HLF
Le transformateur de puissance HCTSM150102HLF de Bourns est un transformateur à grande distance d'isolement conçu pour l'isolation haute tension dans les systèmes d'alimentation compacts. Ce transformateur de puissance dispose d'une tension de fonctionnement de 1 500 VCC, d'une tension Hi-Pot de 7 640 VCC, d'une distance d'isolement et d'une distance de fuite de 15 mm, et d'une isolation de classe F évaluée jusqu'à 150 °C. Le transformateur HCTSM150102HLF est conforme aux normes CEI 60664-1 et CEI/UL 62368-1, prenant en charge la catégorie de surtension II et le degré de pollution 2. Ces caractéristiques rendent le transformateur idéal pour l'alimentation d'interface isolée dans les réseaux CAN, RS-485, RS-422, RS-232, SPI, I2C et LAN faible puissance. Les transformateurs HCTSM150102HLF sont idéaux pour l'industrie 4.0 et les systèmes nécessitant un isolement des tensions dangereuses, telles que les blocs de batteries haute tension dans les systèmes de stockage d'énergie de 1 500 V.Caractéristiques
- Tension de fonctionnement de 1 500 VCC
- 7 640 VCC pendant 2 s, fuite maximale de 1 mA lors du test Hi-Pot
- Distance d'isolement de 15mm
- Ligne de fuite de 15 mm
- Isolation renforcée de classe F jusqu'à 150 °C
- Surtension de catégorie II, degré de pollution 2 et jusqu'à 4 km au-dessus du niveau de la mer
- Conforme aux normes CEI 60664-1 et CEI/UL 62368-1
- Conforme à la directive RoHS
Applications
- Circuits de commande de grille haute et basse tension
- Isolation pour CAN, RS-485, RS-422, RS-232, SPI, I2C et réseaux LAN faible puissance
- Convertisseurs CC-CC isolés
- Systèmes de gestion de batterie (BMS) et solutions de stockage d'énergie
- Applications d'isolation automobile et industrielle
Caractéristiques techniques
- Inductance primaire minimale de 80 µH à 100 kHz, 1 V et 0 A
- Inductance de fuite maximale de 4,0 µH à 100 kHz et 0,1 V (broche 1–3)
- DCR (résistance CC) :
- 0,3 Ω maximum (broche 1–3)
- 0,7 Ω maximum (broche 6–4)
- Rapport de transformation de 1:2 ±3 % et polarité (broches 1–3 à 6–4)
- Tension de fonctionnement maximale de 1 500 VCC
- Plage de température de fonctionnement de -40 °C à 150 °C (y compris la montée en température)
- Plage de température de stockage de -25 °C à 85 °C
- Niveau 1 de sensibilité à l'humidité
- Classification DES (HBM) : N/A
Schéma électrique
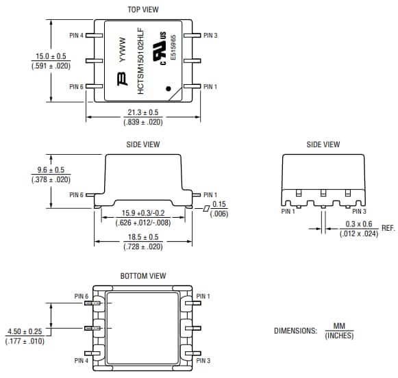
Dimensions
Publié le: 2025-10-23
| Mis à jour le: 2025-10-28
