Bourns ES14 Rotary Optical Encoders
Bourns ES14 Rotary Optical Encoders feature a compact 14mm package size with a 2-bit quadrature code and 8 to 64PPR resolution. These encoders offer a high rotational life cycle and ball-bearing shaft support. The Bourns ES14 Rotary Optical Encoders are recommended for machine/machine interface applications and are HCMOS, CMOS, and TTL compatible.Features
- HCMOS, CMOS, and TTL compatible
- Compact package size
- High rotational life cycle
- Ball-bearing shaft support
- Cable/connector option
- Optional brackets
- Recommended for machine/machine interface applications
- RoHS compliant
Specifications
- 2-bit quadrature code electrical output
- 8 to 64 pulses per revolution (PPR) resolution options
- 5.0VDC ±0.25VDC supply voltage
- 26mA maximum supply current
- 200ns typical rise/fall time
- 167mW maximum power dissipation
- 1000µΩ minimum insulation resistance at 500VDC
- Operates at 1000RPM maximum
- IP54 rated
Continuous 360° angle
- Temperature ranges
- -40°C to +70°C operating at 5.0VDC
- -55°C to +125°C storage
- 1.05N-mm maximum starting/running torque
- Rotational life
- 50,000,000 cycles
- 100,000,000 revolutions
- 0.003" maximum shaft radial play
- 35lbs. minimum shaft axial structural strength
- 2.0N-m maximum mounting torque
- Sn plated PC pins
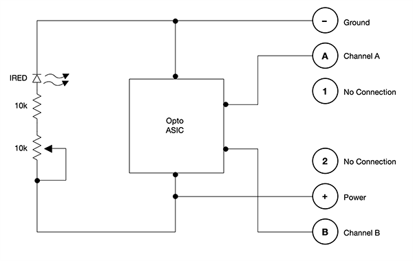
Block Diagram
Publié le: 2016-01-15
| Mis à jour le: 2022-03-11
