Bosch Carte navette 3 0 BME690
La carte navette 3.0 BME690 de Bosch est une carte de circuit imprimé (PCB) avec un capteur de qualité de l'air (gaz, pression, température et humidité) pré-monté BME690. Utilisée conjointement avec la carte d'application Bosch 3.x de Bosch, la carte navette évalue les sorties de signal fournies par le capteur lui-même ou les sorties supplémentaires générées par la bibliothèque BSEC pour le capteur. La carte navette permet un accès facile aux broches du capteur via une simple prise et peut être directement connectée à la carte d'application 3.x. En général, la carte navette 3.0 BME690 de Bosch valide la température, l'humidité, la pression et l'indice de qualité de l'air (IAQ).Caractéristiques
- Circuit imprimé avec le capteur de qualité de l'air BME690 pré-monté
- Évalue les sorties de signal fournies par le capteur et les sorties supplémentaires générées par la bibliothèque BSEC (téléchargement du logiciel)
- Accès facile aux broches du capteur via une simple prise
- Se connecte directement à la carte d'application 3.x
- De taille 22 mm x 20 mm x 1,7 mm
Applications
- Maisons intelligentes
- Appareils portables
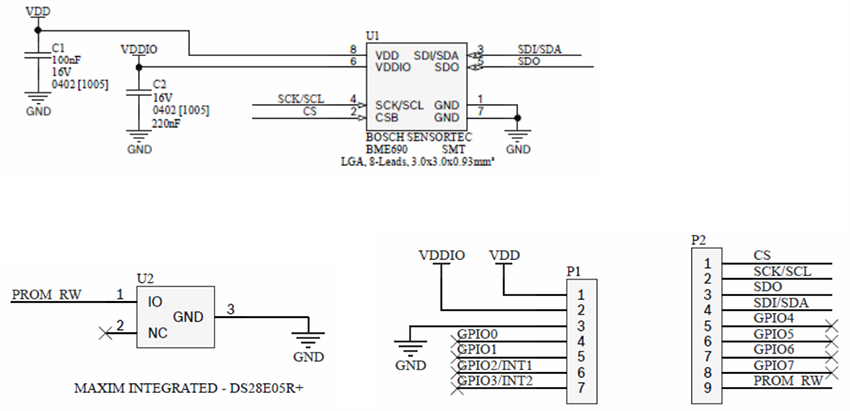
Agencement électrique
Dimensions : mm
Publié le: 2025-01-02
| Mis à jour le: 2025-07-16
