Bosch Carte navette 3,0 BMA530
La carte navette 3.0 BMA530 Bosch est une carte de circuit imprimé (PCB) dotée d’un capteur d’accélération BMA530 pré-monté. En combinaison avec la carte d’application 3.0/3.1, la carte navette évalue les diverses fonctionnalités fournies sur le capteur BMA530. La carte navette 3.0 BMA530 permet un accès facile aux broches du capteur via un socket simple et peut être directement branchée sur la carte d’application Bosch Sensortec 3.0/3.1.Caractéristiques
- capteur d’accélération BMA530 pré-monté
- Évalue les diverses fonctionnalités du BMA530
- Accès facile aux broches du capteur via un socket simple
- Se branche directement sur la carte d’application 3.0/3.1 Bosch Sensortec
- Dimensions 22 mm x 14 mm x 1,6 mm
Applications
- Appareils portables et de suivi d’activité
- Jouets et gadgets
- Ordinateurs portables
- Reconnaissance des gestes
- Détection de chute libre
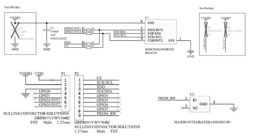
Agencement électrique
Dimensions (mm)
Publié le: 2024-05-14
| Mis à jour le: 2024-05-17
