ATC Automatic Timing & Controls 339B Plug-In Adjustable Time Delay Relays
ATC Automatic Timing & Controls 339B Plug-In Adjustable Time Delay Relays provide six dial-selected ranges from fractions of a second up to 10 hours and include selectable on-delay or interval timing modes. The dial face automatically displays the selected range, and the LED annunciator delivers an effective method of cycle progress indication. These solid-state modules with an octal plug-in base maintain repeat accuracy regardless of wide voltage and temperature variations, even after long periods of downtime. ATC Automatic Timing & Controls 339B Plug-In Adjustable Time Delay Relays accommodate the needs of a wide range of applications, allowing the user to easily and precisely select an appropriate range for optimal accuracy.Features
- Wide choice of ranges
- Cycle progress indication
- High accuracy
- Multiple timing modes
- FM, CSA, and CE approved
- UL recognized
- Fixed timing units available to prevent adjustments and increase safety
- -17°C to +60°C operating temperature range
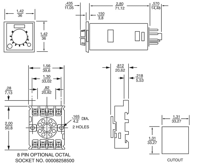
Dimensions (in/mm)
Wiring
Publié le: 2023-03-31
| Mis à jour le: 2023-05-10
