Asahi Kasei Microdevices CODEC de HUB audio AK460xVQ
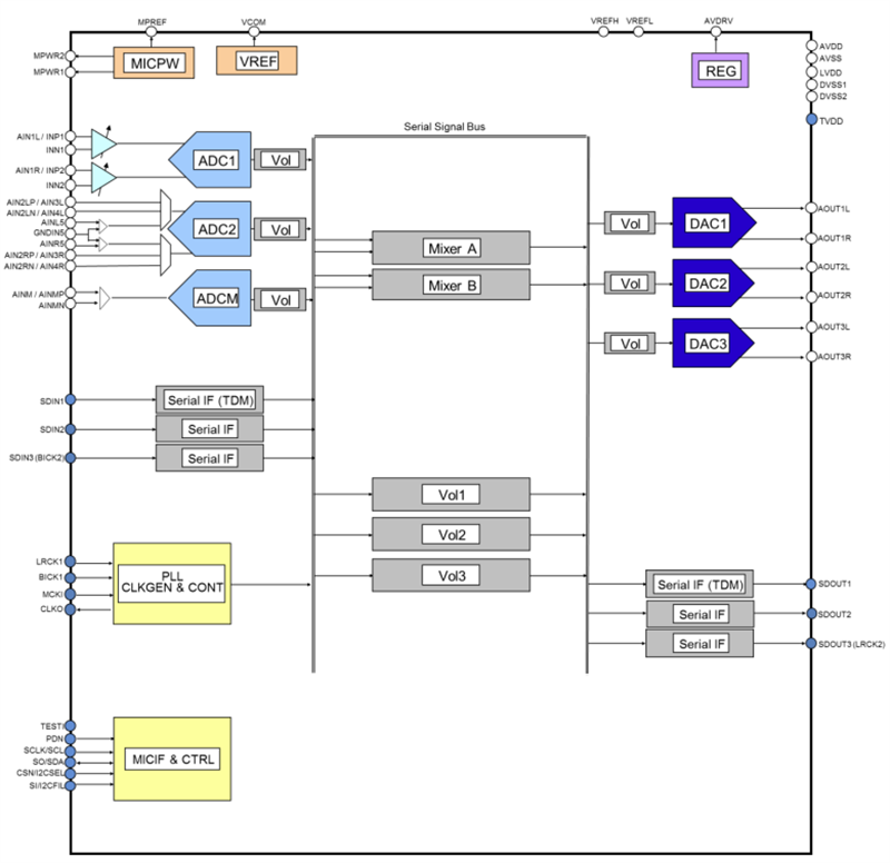
Les CODEC de HUB audio AK460xVQ d'Asahi Kasei Microdevices comprennent des CAN à 5 canaux, un CNA à 6 canaux et des mixeurs numériques. Le bloc d’entrée analogique se compose d’un CAN stéréo de 24 bits, d’un CAN stéréo de 24 bits avec sélecteur d’entrée, d’un CAN mono et d’un CNA à 6 canaux de 32 bits. Le bloc de transfert pour les signaux numériques intègre une interface série qui prend en charge le bus de données et le format TDM, créant ainsi une fonction de HUB audio. Il définit l'évolutivité du dispositif pour les signaux analogiques et numériques. L'AK4601 d'Asahi Kasei Microdevices est disponible dans un boîtier LQFP 48 broches peu encombrant.Caractéristiques
- Gamme de fréquences d'échantillonnage de 8 kHz à 192 kHz
- ADC1 : CAN stéréo 24 bits avec amplificateurs à gain MIC
- Amplificateurs de gain analogiques indépendants du canal
- De 0 dB à 18 dB par incréments de 2 dB
- De 18 dB à 36 dB par incréments de 3 dB
- Entrée différentielle ou asymétrique
- Propriétés du CAN 106 dB à 48 kHz, à entrée différentielle et gain MIC de 0 dB
- Contrôle de volume numérique indépendant des canaux (de +24 dB à -103 dB, par incréments de 0,5 dB, désactivation)
- HPF numérique pour l'annulation du décalage CC
- Sortie de puissance MIC à faible bruit 2 canaux
- 4 types de filtres numériques pour la sélection de la couleur du son
- Amplificateurs de gain analogiques indépendants du canal
- CAN2 : CAN stéréo 24 bits avec sélecteur d'entrée
- Options de sélection d'entrée analogique : 1x entrée différentielle ou 2x entrées asymétriques et 1x entrée semi-différentielle
- Propriétés du CAN 106 dB à 48 kHz, à entrée différentielle
- Contrôle de volume numérique indépendant des canaux (de +24 dB à -103 dB, par incréments de 0,5 dB, désactivation)
- HPF numérique pour l'annulation du décalage CC
- 4 types de filtres numériques pour la sélection de la couleur du son
- CAN : CAN monophonique 24 bits
- Entrée différentielle ou asymétrique
- Propriétés du CAN 106 dB à 48 kHz, à entrée différentielle
- Contrôle de volume numérique indépendant des canaux (de +24 dB à -103 dB, par incréments de 0,5 dB, désactivation)
- HPF numérique pour l'annulation du décalage CC
- 4 types de filtres numériques pour la sélection de la couleur du son
- Circuit de mixage numérique
- Volume numérique indépendant (+12 dB à -115 dB, incréments de 0,5 dB, option de mise en sourdine)
- CNA 32 bits avancée
- 3x 2 canaux
- Sortie asymétrique
- Propriétés du CNA 108 dB à 48 kHz
- Contrôle de volume numérique indépendant par canal (de +12 dB à -115 dB, incréments de 0,5 dB, option de mise en sourdine)
- 4 types de filtres numériques pour la sélection de la couleur du son
- Interfaces numériques
- Ports d'entrée/sortie numériques maximum de 20 canaux (16 canaux x 1 port, 2 canaux x 2 ports) en mode TDM
- Port d'entrée LRCK/BICK indépendant avec 2 lignes
- Formats de données
- MSB 32 bits, 24 bits
- LSB 24 bits, 20 bits, 16 bits
- I2S
- Cadre PCM court/long pris en charge
- Format TDM pris en charge
- Circuit BVP
- Interfaces μP
- SPI 7 MHz maximum
- Bus I2C 1 MHz maximum, Fast Mode+
- Alimentation électrique
- Plage analogique AVDD de 3 0 V à 3,6 V, 3,3 V standard
- Plage numérique LVDD de 3 0 V à 3,6 V, 3,3 V standard (régulateur 3,3 V → 1,2 V intégré)
- TVDD I/F de 1,7 V à 3,6 V, 3,3 V standard
- Plage de température de fonctionnement de -40 °C à +85 °C
- Boîtier LQFP à 48 broches, 7 mm x 7 mm, pas de 0,5 mm
Applications
- Audio portable
- Audio pour la maison
- Automobile
Schéma fonctionnel
Publié le: 2024-04-09
| Mis à jour le: 2024-04-24
