Analog Devices / Maxim Integrated Carte détachable TMC2225-BOB

La carte détachable TMC2225-BOB d’Analog Devices Inc. est une carte de conception de référence compacte pour le pilote pas-à-pas TMC2225. Le TMC2225 fournit une solution de pilote moteur intégrée pour l’impression 3D, les caméras, les scanners et d’autres applications d’équipements automatisés. Le TMC2225 dispose de la technologie de pilote silencieuse StealthChop, assurant un fonctionnement sans bruit, un rendement maximal et le meilleur couple moteur. 

La carte détachable TMC2225-BOB comprend un pilote de moteur pas à pas TMC2225 pré-installé d'ADI dans un boîtier HTSSOP28, ainsi que des circuits de prise en charge et des LED d'état. La carte détachable dispose également de rangées d'embase fournissant un accès à tous les signaux de broches clés.

Le TMC2225-BOB est conçu pour donner aux utilisateurs la possibilité de prototyper rapidement leurs applications, ce qui permet de vérifier immédiatement comment le moteur fonctionne avec le TMC2225 tout en développant le logiciel de l'application.

Caractéristiques

  • pilote de moteur pas à pas TMC2225-SA
  • Tension d’alimentation de 5 V à 28 V
  • Iphase jusqu’à 1,4 ARMS
  • Fonctionnement silencieux avec StealthChop™
  • Configuration et diagnostics étendus via UART
  • Contrôle via une interface pas/dir
  • Circuit compact de 1,0 pouce x 1,0 pouce
  • 2 rangées d'embase de 2,54 mm à 10 broches pour les signaux de broches

Disposition de la carte

Analog Devices / Maxim Integrated Carte détachable TMC2225-BOB

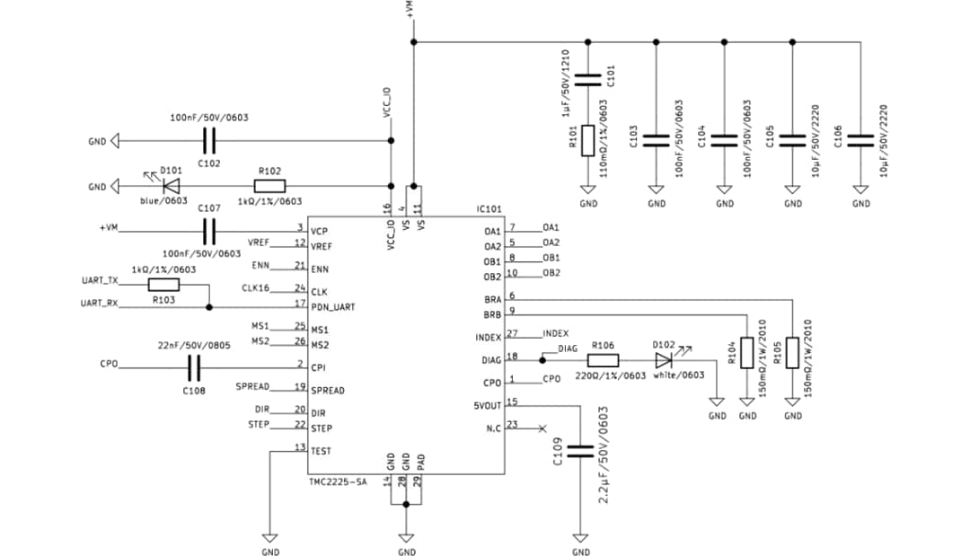
Schéma de principe

Schéma - Analog Devices / Maxim Integrated Carte détachable TMC2225-BOB

Vidéos

Publié le: 2021-03-29 | Mis à jour le: 2026-02-03