Analog Devices Inc. Chargeurs Buck-Boost USB-C™ MAX77960/MAX77961
Les chargeurs Buck-Boost USB-C™ MAX77960/MAX7761 d’Analog Devices Inc. sont des chargeurs 3 A ou 6 A haute performance à large entrée avec Smart Power SELOCK™. Les chargeurs fonctionnent comme un convertisseur Buck inverse sans inducteur supplémentaire. Cela permet aux CI d’alimenter les accessoires USB on-the-go (OTG). Ces composants intègrent des commutateurs de puissance à faible perte et fournissent un haut rendement. Le MAX77960/MAX7761 fournit également une faible chaleur, une charge rapide de la batterie et une véritable déconnexion de charge. Une limite de courant de sortie réglable la protège. Ces composants sont hautement flexibles et programmables via la configuration I2C ou de manière autonome via une configuration de résistance.Caractéristiques
- Plage de fonctionnement d’entrée de 3,5 V à 25,4 V, résistance 30 VCC
- Rendement maximal 97 % pour la batterie 2 S à 9 VIN/ 7,4 VOUT/ 1,5 AOUT
- Rendement maximal 97 % pour la batterie 3 S à 15 VIN/ 12,6 VOUT/ 2 AOUT
- MAX77960
- Limite de courant d’entrée programmable de 100 mA à 3,15 A
- Charge à courant constant programmable de 100 mA à 3 A
- MAX77961
- Limite de courant d’entrée programmable de 100 mA à 6,3 A
- Charge 100 mA à courant constant programmable à 6 A
- Détection à distance de la tension différentielle
- Fréquence de commutation de 600 kHz
- Mise en marche instantanée du système avec chemin d’alimentation Smart Power Selector
- Minuteur de sécurité de charge
- Régulation de la température de la puce avec boucle de repli thermique
- Gestion de l’alimentation en entrée avec limitation adaptative du courant d’entrée (AICL) et régulation de la tension d’entrée
- Commutateur BAT vers SYS 10 mΩ, seuil de surintensité jusqu’à 10 A
- Mode buck inverse 5,1 V/3 A pour prendre en charge USB OTG
- Conforme JEITA avec moniteur de thermistance NTC
- I2C ou programmable par résistance
- Boîtier FC2QFN 30 fils, 4 mm x 4 mm
Applications
- Applications de charge à large entrée alimentées par USB Type-C
- Dispositifs alimentés par batterie à 2 et 3 éléments
- Smartphones, tablettes et ordinateurs portables 2-en-1
- Dispositifs médicaux, moniteurs de santé et de remise en forme
- Appareils photo numériques, caméras vidéo et d’action
- Terminaux et ordinateurs portables
- Radios portables
- Outils électriques
- Drones
- Batterie de secours
- Haut-parleurs sans fil
Fiches techniques
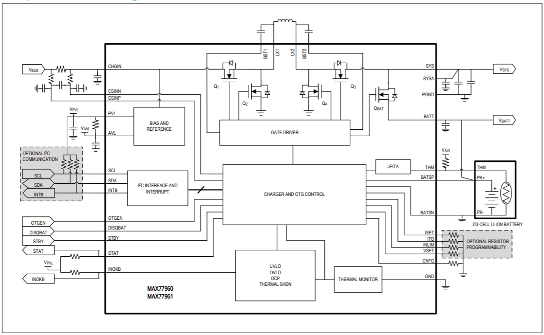
Schéma de principe
Publié le: 2020-10-26
| Mis à jour le: 2024-07-11
