Analog Devices Inc. Contrôleur USB Type-C™ et USB PD MAX77958
Le contrôleur USB Type-C™ et USB PD d'Analog Devices Inc. est une robuste solution de détection CC USB Type-C et de mise en œuvre du protocole de distribution d'énergie (PD). Il détecte les accessoires ou appareils connectés en utilisant la détection CC de type C et la messagerie PD USB. Le MAX77958 assure la protection contre les surtensions et les surintensités, détecte l'humidité et prévient la corrosion sur le connecteur USB de type C. Le CI dispose également d'un commutateur USB D+/D- avec détection BC1.2 pour prendre en charge les anciennes normes USB. Il contient des commutateurs VCONN pour USB PD et une broche d'activation pour un convertisseur Buck ou boost VCONN externe.Le MAX77958 ADI contient un micrologiciel conforme à la norme USB Type-C version 1.3 et PD 3.0. Il est facilement personnalisable sans compromettre la conformité. Le MAX77958 possède un I2C maître qui peut lire et écrire sur d'autres dispositifs du système afin que son micrologiciel puisse configurer des dispositifs apparentés sans l'aide du processeurprincipal. Par exemple, il peut configurer un chargeur externe basé sur la détection BC1.2, la détection CC et la communication PD.
Le CI dispose d'une broche de sortie d'interruption pour signaler les événements de détection et les changements d'état. Il dispose également d'une interface I2C qui permet au système de lire/écrire et de configurer les registres internes. Le MAX77958 offre neuf GPIO configurables qui peuvent être utilisés pour la détection, comme interruptions, et comme broche d'activation/désactivation de dispositifs externes, ou comme entrées CAN. Le CI est disponible dans un boîtier de 3,10 mm x 2,65 mm, avec un pas de 0,5 mm, de niveau plaquette (WLP).
Caractéristiques
- Micrologiciel personnalisable
- Micrologiciel intégré par défaut conforme USB
- Prend en charge les actions personnalisables sur les événements
- Mises à jour du micrologiciel pour des futures révisions des normes
- Prise en charge USB Type-C et USB-PD
- Conforme USB Type-C version 1.3 et PD 3.0
- Configuration du mode : dissipateur/source/port à double rôle
- Prise en charge de dissipateur d'alimentation électrique programmable (PPS)
- Prise en charge du dissipateur initial à échange de rôle rapide (FRS)
- Orientation du câble et détection du rôle d’alimentation
- Commutateur VCONN intégré avec OCP
- Prise en charge de l'état Try.Snk
- Mode source/dissipateur d'accessoire audio et de débogage
- Prise en charge de la détection de chargeurs BC1.2 anciens/propriétaires, commutateurs D+/D- intégrés
- Prévention de la corrosion par détection de l'humidité
- Plage de haute tension Vbus (28 V)
- Protection contre les courts-circuits à VBUS sur les broches CC (22 V)
- Prise en charge de batterie morte
- Entrées d'alimentation bipolaire symétrique à partir de SYS et VBUS
- I2C à configuration programmable
- Maître I2C vers chargeur de contrôle externe ou CI à charge directe
- 9 GPIO configurables (GPIO6 pour SID)
- Multiplexeur/détection/IRQ SuperSpeed
- Commutateurs ou dispositifs externes d'activation/désactivation
- Boîtier WLP30 de 3,10 mm x 2,65 mm, pas de 0,5 mm
Applications
- Smartphones
- Tablettes
- Appareils photo/caméras
- Consoles de jeux
- Bancs de charge
- Équipements industriels adaptateurs PoE vers USB Type-C
- Appareils portables
- Appareils portables
- Écrans
- Dispositifs médicaux et de santé
- Autres dispositifs USB Type-C
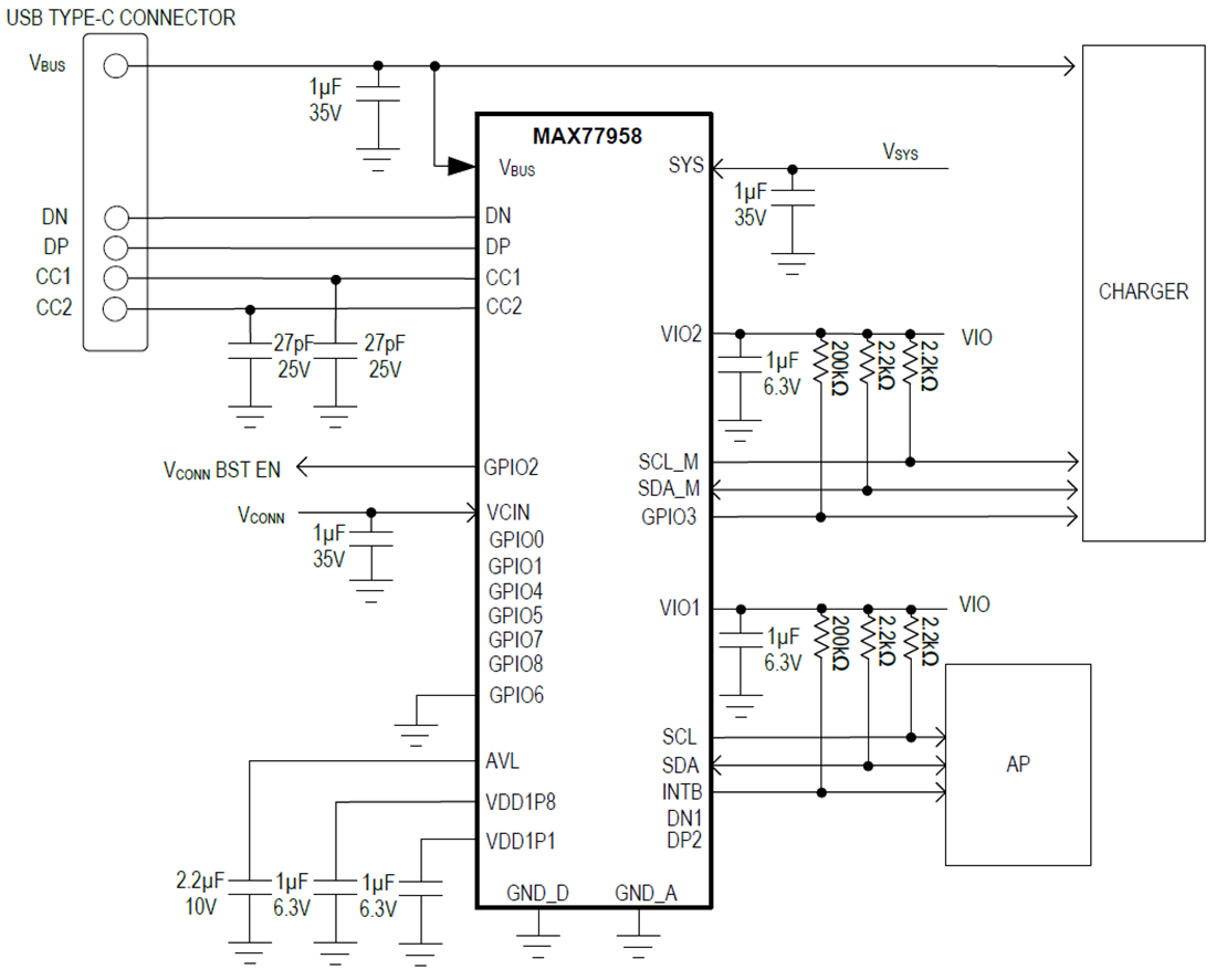
Schéma fonctionnel
