Analog Devices / Maxim Integrated MAX77863 Power Management IC
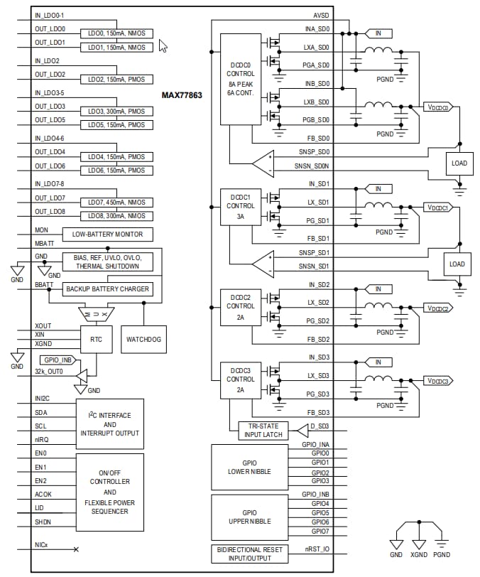
Analog Devices Inc. MAX77863 Power Management IC is designed for mobile devices using system-on-chip (SoC) application processors. The device is available in a wafer-level package (WLP) for space-constrained applications, including smartphones, GPS, and set-top boxes. MAX77863 Power Management IC features 13x regulators. Two regulators provide differential remote sensing and are rated for continuous and peak output current. Numerous factory-programmable options allow the device to be tailored for many applications.Features
- Operates from a 2.6V to 5.5V source
- 0.6V to 3.3875V output voltage range
- 8A output current
- Allows for low-cost PCB technology
- Includes 4x DC-to-DC step-down regulators
- Includes 9x low-dropout linear regulators
- No external MOSFETs required
- Consumes 12µA in its lowest-power state
- Low-power modes on all regulators reduce power consumption
- LDOs are stable with only the Point-of-Load capacitor
- I2C 3.0-compatible interface
- nIRQ interrupt output
- 8x GPIOs
- Real-Time Clock (RTC)
- Backup battery charger
- Timing clock output
- System watchdog timer
- I2C watchdog timer
- Bidirectional reset I/O
- Flexible Power Sequencer (FPS)
- Thermal shutdown
- -40° C to +85°C operating temperature range
Applications
- Personal Internet viewer
- Digital photo frames
- Set-top boxes
- Smartphones
- GPS
- Automotive aftermarket accessories
Simplified Functional Diagram
Publié le: 2019-11-22
| Mis à jour le: 2023-05-04
