Analog Devices / Maxim Integrated Kit d’évaluation MAX77857
Le kit d'évaluation MAX77857 d'Analog Devices est une carte de circuit imprimé entièrement assemblée et testée qui démontre le convertisseur Buck-Boost MAX77857. Ce composant offre une entrée de 2,5 V à 16 V et une sortie réglable entre 4,5 V et 15 V à l'aide de résistances de rétroaction internes ou de 3 V à 15 V à l'aide de résistances de rétroaction externes. Le kit d'évaluation MAX77857 est configuré en usine comme rétroaction interne avec une tension de sortie de démarrage par défaut à 5 V. Le kit d’évaluation MAX77857 d'Analog Devices dispose de broches E/S pour prendre en charge l’interface série I2C, la fonction d’activation et l’indicateur d’interruption/alimentation-OK.Caractéristiques
- Avantages avérés en matière de conception et de mise en page des circuits imprimés de référence
- Totalement assemblée et testée
- Points de détection pour des mesures de haute précision
- Broches de point de test accessibles pour interface série EN, POKB/INTB, VIO et I2C SCL, SDA
- MAXUSB_INTERFACE# permet une communication facile avec un PC Windows
- Logiciel GUI qui pilote l'interface série I2C pour un contrôle logiciel optionnel
- Tension de sortie de démarrage réglable à travers des résistances de rétroaction externes
- Tension de sortie réglable dynamiquement via l'interface série I2C
- Adresse esclave I2C, limite de courant de commutation et configuration de rétroaction réglable à l'aide du RSEL (R9)
Schéma du circuit d’application
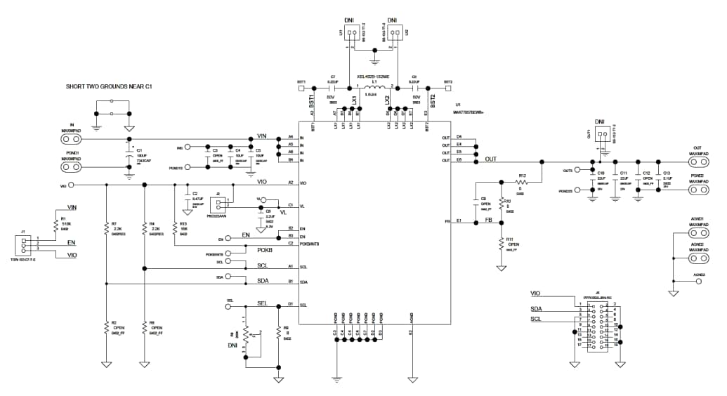
Schéma du kit d’évaluation MAX77857
Publié le: 2022-05-20
| Mis à jour le: 2023-04-17
