Analog Devices Inc. Régulateurs de commutation abaisseurs MAX38802 et MAX38803
Les régulateurs abaisseurs à découpage MAX38802 et MAX38803 d'Analog Devices sont des régulateurs de commutation à haut rendement entièrement intégrés pour les applications fonctionnant avec des alimentations d’entrée de 6,5 V à 14 V nécessitant une charge maximale de 25 A. Ces régulateurs à puce unique constituent une solution compacte, à haut rendement, pour les sorties de précision qui exigent une réponse transitoire rapide.Le MAX38802 et le MAX38803 offrent différentes options de programmabilité afin de permettre un large éventail de configurations. Les caractéristiques programmables incluent une tension de référence interne et externe, un point de consigne de la tension de sortie, une fréquence de commutation, un niveau de protection contre les surintensités (OCP) et un chronométrage de démarrage progressif. Le fonctionnement en mode courant discontinu (DCM) peut être activé via des feuillards de broches afin d’améliorer le rendement à faible charge.
Le MAX38802 et le MAX38803 sont dotés de plusieurs caractéristiques de protection et de mesure. L’OCP cycle par cycle positif et négatif, la protection contre les courts-circuits et la surchauffe (OTP) assurent une conception robuste. Le verrouillage des sous-tensions et des surtensions d’entrée éteint le régulateur afin d’éviter tout dommage lorsque la tension d’entrée est hors des spécifications. La régulation est arrêtée en cas d’événement de surtension de sortie (OVP). Une broche d’état indique que la tension de sortie est dans la plage et régulée. Les dispositifs sont dotés d’une sortie analogique qui peut être configurée pour rapporter le courant de sortie ou la température de jonction avec une précision de ± 5 % et de ± 8 °C.
Les régulateurs de commutation abaisseurs MAX38802 et MAX38803 d'Analog Devices sont disponibles dans un boîtier WLCSP27 compact de 2,2 mm x 3,8 mm qui fournit une faible résistance thermique et minimise la surface du circuit imprimé.
Caractéristiques
- Solution à haut rendement
- Jusqu’à 97 % en pointe
- Jusqu’à 87 % à pleine charge
- Rendement à faible charge jusqu’à 96 % à 1 A avec DCM activé
- Empreinte compatible avec MAX38800 (9 A) et MAX38801 (15 A)
- Fréquence de commutation programmable jusqu'à 1 MHz
- Temporisations programmables pour le démarrage progressif et le délai d'arrêt.
- Tension de référence programmable avec une option d’entrée externe
- Limite OCP positive et négative programmable
- Rapport de courant ou de température analogique
- Détection différentielle à distance avec détection de circuit ouvert
- Réponse transitoire rapide avec architecture Quick-PWM™
- Power-Good et OVP de sortie basés sur le pourcentage
- Broche de l’indicateur (STAT) d’état de drain ouvert
- Verrouillage de la sous-tension et de la surtension d’entrée
- Contrôle de temps mort adaptatif
- Commutateur Boost intégré
- Fonctionnement à l’aide de condensateurs d’entrée et de sortie en céramique
- Boîtier WLCSP27 de 2 x 3,8 mm
Applications
- Mémoire DDR : VDDQ, VPP et VTT
- Alimentations de cœur de GPU
- Sources E/S et chipset
- Applications de point de charge (POL)
- Serveurs et µServeurs
Options de configuration du MAX38802
Options de configuration du MAX38803
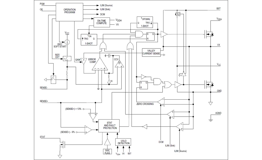
Schéma de principe
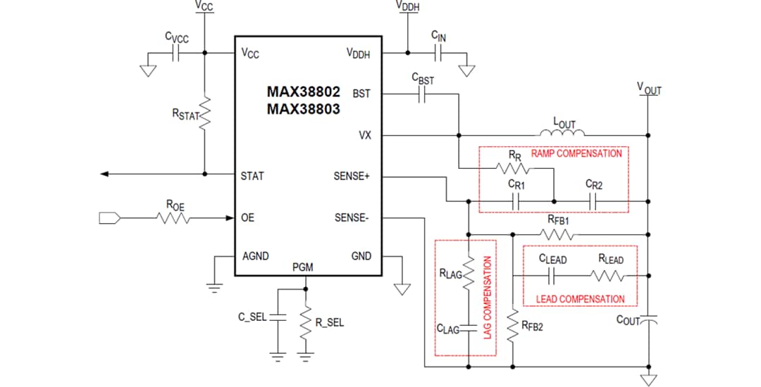
Circuit d’application de base
