Analog Devices / Maxim Integrated Quadruples récepteurs RS-422/RS-485 haut débit MAX33076E
Les récepteurs quadruples haut débit MAX33076E RS-422/RS-485 Analog Devices offrent une CMR (plage de mode commun) élevée, une protection contre les défauts élevée et une DES élevée pour les environnements électriques difficiles. Les dispositifs fonctionnent sur une plage d'alimentation de +3,3 V ou +5 0 V. La CMR élevée de ±25 V aide à la réception des messages lorsque les plans de mise à la terre entre deux nœuds présentent de grandes différences ou de grandes interférences externes provenant de moteurs ou d'autres sources de bruit électrique. Le MAX33076E offre une protection étendue contre les défauts de ±65 V, où les lignes de données sont protégées contre les courts-circuits accidentels vers lesalimentations électriques locales. De plus, un HBM (modèle de corps humain) DES élevé de ±25 kV protège les lignes de données contre les décharges DES, que ce soit pendant la production ou sur le terrain.Les récepteurs RS-422/RS-485 quadruples haute vitesse MAX33076E d'Analog Devices disposent d'un véritable circuit de défaillance où la sortie du récepteur est placée à un état haut lorsqu'elle est ouverte, en court-circuit ou connectée à une ligne de transmission à terminaison avec tous les pilotes désactivés.
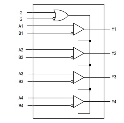
Les broches G et Ḡ sur le MAX33076E configurent pour actif haut et actif bas, respectivement, et activent ou désactivent les sorties. Les composants sont compatibles broche à broche avec les récepteurs MAX3095-96.
Le MAX33076E est logé dans un boîtier SOIC ou QSOP à 16 broches et est classé pour une plage de température de -40 °C à +125 ºC.
Caractéristiques
- La protection intégrée améliore la robustesse
- Lignes de récepteur quadruples tolérantes aux défaillances de ±65 V
- HBM ESD ±25 kV
- Plage en mode commun ±25 V
- Le récepteur à sécurité intégrée empêche toute fausse transition en cas de court-circuit ou d’ouverture de l’entrée du récepteur.
- Plage de températures de fonctionnement de -40 à +125 °C
- Norme de l'industrie pour une mise à niveau facile
- Boîtiers SOIC et QSOP à 16 broches
- Brochage compatible avec les récepteurs MAX3095-96 aux normes de l'industrie
- Tension d'alimentation de +3,3 V ou +5,0 V
- Options de débit de données de 20 Mbit/s ou 35 Mbit/s
Applications
- Contrôleurs de moteurs
- Équipement de télécommunications
- Équipement de réseau électrique
- Machines CNC
- Modules laser
Schéma fonctionnel
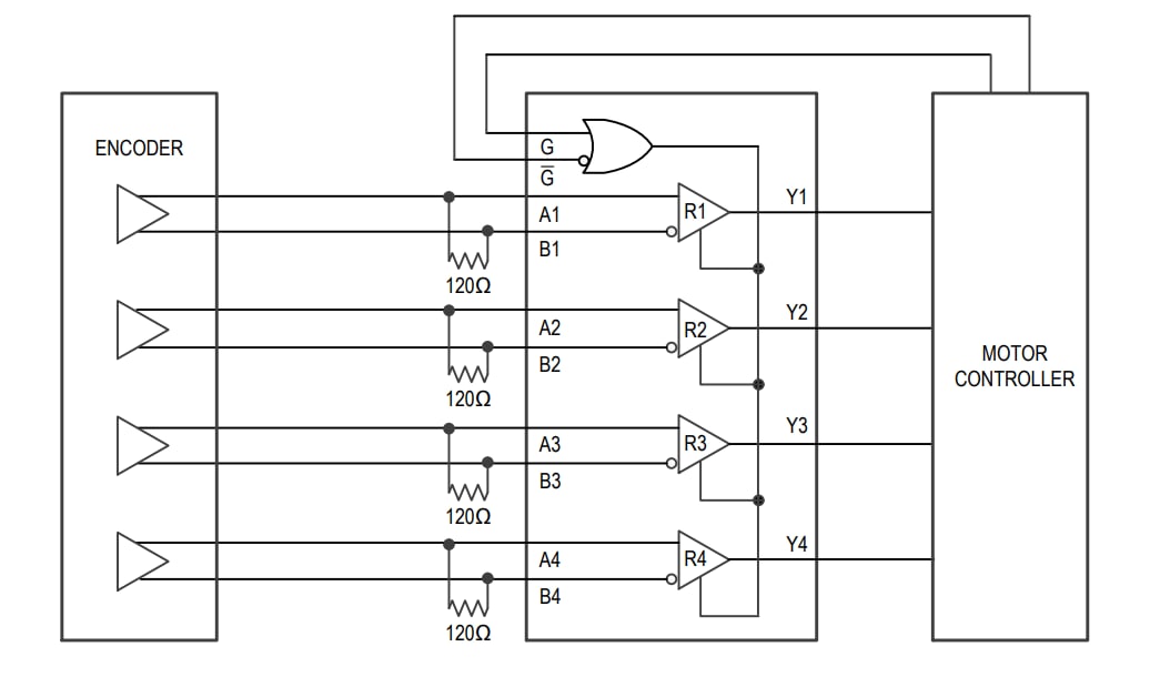
Circuit d'application standard
Publié le: 2022-03-29
| Mis à jour le: 2025-09-18
