Analog Devices / Maxim Integrated Pilote de rétroéclairage automobile à 4 canaux MAX25530
Le pilote de rétroéclairage automobile 150 mA à 4 canaux MAX25530 contrôlé par I2C MAX25530 de Maxim Integrated est conçu pour les applications TFT-LCD automobiles. Le MAX25530 est doté d’un convertisseur Buck-Boost, d’un convertisseur Boost, de deux alimentations de pilote de grille et d’un convertisseur Boost/SEPIC qui peuvent alimenter une à quatre chaînes de LED du rétroéclairage de l’affichage.Les alimentations du pilote source du MAX25530 se composent d’un convertisseur Boost synchrone et d’un convertisseur inverseur Buck-Boost qui peuvent générer des tensions jusqu’à +18 et -7 V. Le pilote source positif peut délivrer jusqu’à 120 mA, tandis que le pilote source négatif peut délivrer 100 mA.
Les séquences de démarrage et d’arrêt pour tous les domaines de puissance sont contrôlées à l’aide de l’un des sept modes prédéfinis, sélectionnables via une résistance sur la broche SEQ ou via l’interface I2C.
Le MAX25530 d'ADI est disponible dans un boîtier TQFN à 40 broches (6 x 6 mm) avec une plaquette exposée et fonctionne dans la plage de températures ambiantes de -40 °C à +105 °C.
Caractéristiques
- Bias Power TFT-LCD à 4 sorties
- Entrée de 2,8 à 5,5 V pour la section TFT-LCD
- Convertisseurs Boost et Buck Boost intégrés 430 kHz ou de 2,2 MHz
- Tension de grille positive et négative de 10 mA
- Régulateurs (inverseur tripleur/doubleur) avec tension de sortie réglable
- Séquençage programmable par résistance Flexible via la broche SEQ
- Détection de sous-tension sur toutes les sorties
- Mode de veille à faible courant de repos
- Pilote de rétroéclairage LED à 4 canaux
- Courant par canal jusqu’à 150 mA
- Large plage de tensions d’entrée : 4,5 à 42 V
- Contrôleur Boost/SEPIC intégré (440 kHz ou 2,2 MHz)
- Rapport de gradation 10 000:1 à 200 Hz
- Optimisation adaptative de la tension pour réduire la dissipation de puissance dans les dissipateurs de courant LED
- Diagnostics à chaîne ouverte, LED en court-circuit et de court-circuit vers GND
- Faible EMI
- Gradation de déphasage des chaînes LED
- Spectre étendu sur le pilote LED et le TFT
- Fréquence de commutation sélectionnable
- Interface I2C pour contrôle et diagnostics
- Indication des défaillances via la broche FLTB et I2C
- Tentative automatique après la détection des défaillances
- Protection thermique et contre la surcharge
- Température de fonctionnement ambiante de -40 à +105 °C
- Boîtier TQFN à 40 broches, 6 x 6 mm avec pastille exposée
- AECQ100 classe 1
Applications
- Tableaux de bord automobiles
- Écrans d’informations automobiles centraux
- Écrans automobiles à tête haute
- Systèmes de navigation automobile
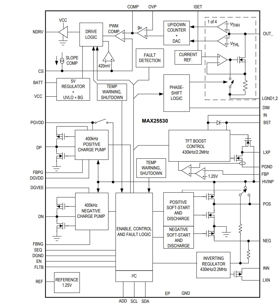
Schéma fonctionnel
Publié le: 2021-04-05
| Mis à jour le: 2023-04-13
