Analog Devices / Maxim Integrated Convertisseurs Buck synchrones MAX25255
Les convertisseurs Buck synchrones MAX25255 d'Analog Devices sont des convertisseurs Buck doubles avec des commutateurs côté haut et côté bas intégrés. Ces CI fournissent jusqu'à 8 A par canal avec des tensions d'entrée de 3 V à 36 V. Les dispositifs utilisent un courant de repos de seulement 12 μA en l'absence de charge. La qualité de la tension est surveillée en observant les signaux PGOOD. Le MAX25255 d'Analog Devicesrégule la tension de sortie dans la région de perte de niveau en fonctionnant à 99 % du rapport cyclique.Caractéristiques
- Double convertisseur Buck
- Large plage d'entrée de 3,0 V à 36 V (42 V, max)
- Faible courant d'alimentation à l'arrêt (6,5 µA, max.)
- Faible courant de repos de fonctionnement avec un canal activé (12 µA, standard)
- VOUT programmable de 0,8 V à 14 V
- Jusqu'à 8 A par canal
- Fonctionnement hors phase de 180° entre deux convertisseurs
- Temps de marche minimal de 24 ns (std)
- Fonctionnement biphasé/quadriphasé
- Capacité à faire fonctionner deux CI en parallèle pour un fonctionnement quadriphasé
- Précision de partage du courant de ±10 %.
- Prend en charge jusqu'à 16 A en biphasé et 32 A en quadriphasé
- Diagnostics et circuits redondants (MAX25255)
- Conforme ASIL B
- Référence redondante
- Puce, détecteur thermostatique
- Protection de précision contre les surtensions et les sous-tensions
- Généralités
- Boîtier FC2QFN 23 broches de 4,50 mm x 5,75 mm
- Température ambiante de fonctionnement de -40 °C à +125 ºC
- Classification AEC-Q100
- Options de fréquence de commutation 200 kHz, 400 kHz, 1 MHz ou 2 MHz
- Spectre étalé
Applications
- Alimentation électrique frontale pour unités de tête
- ASIL
- Convertisseurs Buck double à usage général
- Modules télématiques
- Alimentation caméra avant
Vidéos
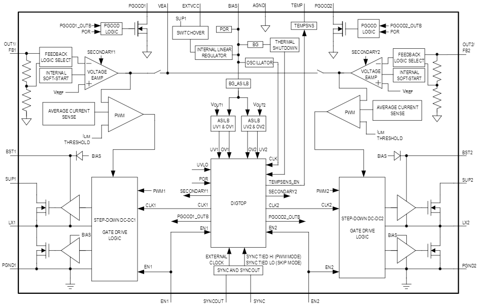
Schéma fonctionnel simplifié
Publié le: 2022-11-29
| Mis à jour le: 2025-04-15
