Analog Devices / Maxim Integrated Doubles convertisseurs Buck synchrones 8 A MAX25254
Les convertisseurs Buck synchrones 8 A MAX25254 d'Analog Devices sont des commutateurs côté haut et côté bas intégrés. Les CI fournissent jusqu'à 8 A par canal avec des tensions d'entrée de 3 V à 36 V. Ces convertisseurs Analog Devices utilisent un courant de repos de seulement 12 μA à vide. La qualité de la tension peut être surveillée en observant les signaux PGOOD.Caractéristiques
- Convertisseur Buck double
- Large plage d'entrée de 3,0 V à 36 V (42 V, max)
- Faible courant d'alimentation à l'arrêt (6,5 µA, max.)
- Faible courant de repos en fonctionnement avec un canal ON (12 µA, std)
- VOUT programmable de 0,8 V à 14 V
- Jusqu'à 8 A par canal
- Fonctionnement hors phase de 180° entre deux convertisseurs
- Temps de marche minimal de 24 ns (std)
- Fonctionnement biphasé/quadriphasé
- Capacité à faire fonctionner deux CI en parallèle pour un fonctionnement quadriphasé
- Précision de partage du courant de ±10 %.
- Prend en charge jusqu'à 16 A en biphasé et 32 A en quadriphasé
- Diagnostics et circuits redondants (MAX25255)
- Conforme ASIL B
- Référence redondante
- Surveillance de la température de puce
- Protection de précision contre les surtensions et les sous-tensions
- Généralités
- Boîtier FC2QFN 23 broches de 4,50 mm x 5,75 mm
- Température ambiante de fonctionnement de -40 °C à +125 ºC
- Classification AEC-Q100
- Options de fréquence de commutation 200 kHz, 400 kHz, 1 MHz ou 2 MHz
- Spectre étalé
Applications
- Alimentation électrique frontale pour unités de tête
- ASIL
- Convertisseurs Buck double à usage général
- Modules télématiques
- Alimentation caméra avant
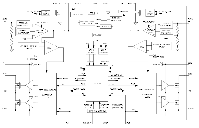
Schéma fonctionnel
Publié le: 2022-11-29
| Mis à jour le: 2023-04-13
