Analog Devices Inc. Syntoniseur satellite bande L à conversion directe MAX2223
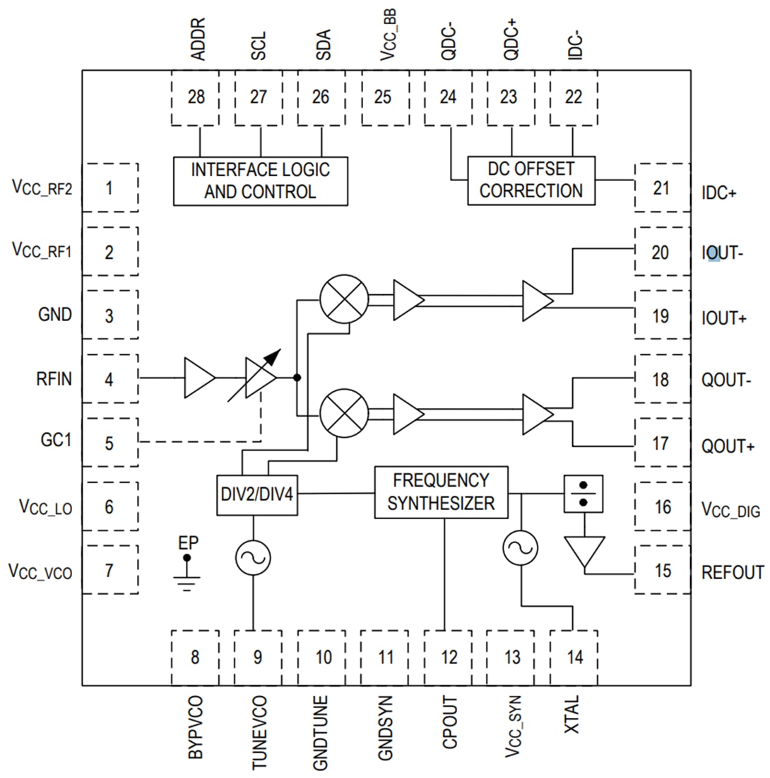
Le syntoniseur satellite bande L à conversion directe MAX2223 d'Analog Devices Inc. est conçu pour les applications de décodeur satellite et de borne à très petite ouverture (VSAT). Le composant convertit directement les signaux satellites du LNB vers la bande de base à l'aide d'un convertisseur abaisseur I/Q large bande. La gamme de fréquences de fonctionnement s'étend de 925 MHz à 2 175 MHz Le MAX2223 comprend un LNA et un amplificateur à gain variable RF, des mélangeurs de conversion abaisseurs I et Q et des amplificateurs de bande de base. L'amplificateur à gain variable RF fournit plus de 70 dB de plage de contrôle de gain et une largeur de bande RF de 1 GHz.Le composant comprend des VCO entièrement monolithiques, ainsi qu'un synthétiseur de fréquence sous-fractionnée complet. De plus, un oscillateur à quartz sur puce est fourni avec une sortie tamponnée pour piloter des syntoniseurs et démodulateurs supplémentaires. La programmation de synthétiseur et la configuration du dispositif sont réalisées avec une interface série à 2 fils. Le CI dispose d'une fonction de sélection automatique (VAS) VCO qui sélectionne automatiquement le VCO approprié. Pour les applications multi-syntoniseurs, le dispositif peut être configuré pour avoir l'une des deux adresses d'interface à 2 fils. Un mode veille à faible puissance est disponible lorsque le chemin de signal est éteint tout en laissant l'oscillateur de référence, l'interface numérique et les circuits tampons actifs. Cela fournit une méthode pour réduire la puissance dans les applications à syntoniseur unique et multiple.
Caractéristiques
- Gamme de fréquences de 925 MHz à 2 175 MHz
- VCO monolithique
- Faible bruit de phase : -97 dBc/Hz à 10 kHz
- Aucun étalonnage requis
- Portée dynamique élevée de -75 dBm à 0 dBm
- Largeur de bande RF 1 GHz prise en charge
- Alimentation simple +3,3 V ±5 %
- Mode veille à faible puissance
- Broche d'adresse pour applications de syntoniseur multiple
- Interface I/Q différentielle
- Interface série I2C 2 fils
- Boîtier TQFN 28 broches, 5 mm x 5 mm très petit
Applications
- VSAT
Schéma fonctionnel
