Analog Devices / Maxim Integrated Solénoïde et pilote de moteur MAX22200
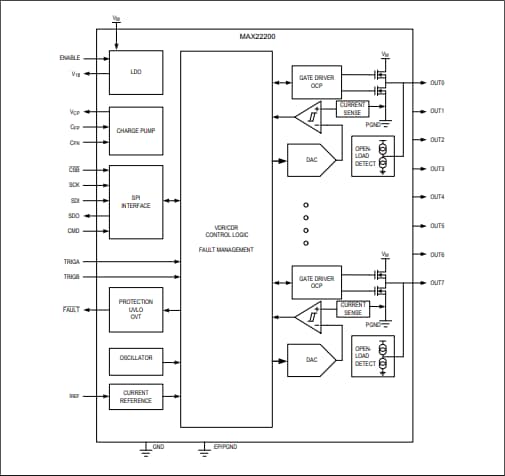
Le solénoïde et pilote de moteur MAX22200 d'Analog Devices Inc. est un pilote de solénoïde octal de 36 V contrôlé en série. Le MAX2220 d'ADI dispose de chaque canal avec un étage de sortie push-pull à faible impédance (200 mΩ std) Il dispose d’une capacité de pilotage de type « sink-and-source » (dissipation et alimentation) avec un courant d’alimentation jusqu’à 1 ARMS. L’interface série (SPI) prenant en charge les configurations en guirlande est fournie pour contrôler individuellement chaque canal. Les demi-ponts du dispositif sont configurés comme des pilotes côté bas ou comme des pilotes côté haut. De plus, des paires de demi-ponts peuvent être mises en parallèle pour doubler le courant de pilotage ou peuvent être configurées comme des ponts complets pour piloter jusqu’à quatre vannes verrouillées (vannes bi-stables) ou quatre moteurs CC brossés.Caractéristiques
- Huit demi-ponts jusqu’à +36 V
- Hautes performances
- Faible résistance à l'état passant : RDS(on) de 200 mΩ standard (TA = +25 °C)
- Courant de sortie continu jusqu’à 1 ARMS par demi-pont (TA = + 25 °C)
- Régulation de la commande de courant (CDR)
- Régulation du pilote de tension (VDR)
- Détection du courant sans perte (CI) intégrée
- Haute flexibilité
- Courants d’ATTAQUE et de MAINTIEN programmables indépendants pour chaque canal (IHIT, IHOLD)
- Minuterie de courant de d’ATTAQUE programmable indépendante pour chaque canal (tHIT)
- Configuration de pont complet prise en charge
- Mode parallèle pris en charge
- Interface série haut débit (SPI)
- Configuration en guirlande de 5 MHz
- 10 MHz sans configuration en guirlande
- Protections et diagnostic
- Protection contre les surintensités (OCP)
- Détection de charge ouverte (OL)
- Détection des mouvements du plongeur (DPM)
- Verrouillage de sous-tension (UVLO)
- Courant d’ATTAQUE non atteint (HHF)
- Arrêt thermique T = + 145 °C (TSD)
- Registres des défaillances à des fins de diagnostic
- Intégration :
- Boîtier TQFN-32 5 mm x 5 mm
Applications
- Pilote de relais
- Solénoïde, vannes, pilotes électromagnétiques
- Applications génériques de commutation côté bas et côté haut
- Pilotes de solénoïde verrouillés (bi-stables)
- Pilote de moteur CC brossé
Schéma fonctionnel
Vidéos
Publié le: 2021-05-04
| Mis à jour le: 2023-04-13
