Analog Devices Inc. Émetteurs-récepteurs de Home bus MAX22088
Les émetteurs-récepteurs de Home bus MAX22088 d’Analog Devices Inc. sont conformes aux normes de Home bus, transmettant les données et l’alimentation sur une paire de fils tout en minimisant le besoin de composants externes. La série supprime le grand inducteur de blocage CA externe généralement requis dans les applications alimentées par bus et améliore la qualité du signal pour permettre des câbles plus longs. Les modules disposent d’un régulateur linéaire 5 V intégré pour alimenter les charges du système jusqu’à 70 mA et prendre en charge la transmission de la puissance et des données avec des vitesses pouvant atteindre et dépasser 200 kbit/s. La terminaison de câble dynamique améliore la qualité du signal pour les applications à haut débit de données. L’hystérésis du récepteur MAX22088, les seuils du récepteur et la vitesse de balayage du pilote sont réglables.La protection intégrée assure une communication robuste dans les environnements industriels difficiles.Les émetteurs-récepteurs Homebus MAX22088 Analog Devices Inc. disposent d’un inducteur actif intégré dans un boîtier TQFN 4 mm x 4 mm à 24 broches.Caractéristiques
- Une intégration élevée simplifie la nomenclature (BOM) et réduit l'empreinte
- Élimine le besoin d'un inducteur de blocage CA de grande taille
- Boîtier TQFN compact de 4 x 4 mm
- Prend en charge le convertisseur CC-CC externe pour les charges système supérieures à 70 mA
- La configurabilité permet une conception flexible
- Seuils du récepteur réglables
- Terminaison de câble commuté
- Taux de dérive réglable sur les signaux de transmission
- Hystérésis de récepteur large
- Débits de données de 9 600 b/s à ≥ 200 kbit/s
- La terminaison de câble dynamique améliore la qualité du signal pour les applications à haute vitesse
- Énergie
- Tension d’entrée de ligne jusqu’à 24 V
- Courant de sortie de charge jusqu’à 200 mA
- Débit de données de 200 kb/s sur câble de 1 km
- La communication de données sur alimentation à deux fils réduit le coût du câblage et du connecteur
- La protection intégrée assure une communication solide
- Protection DES conforme à la norme CEI 61000-4-2 ±8 kV par contact et ±15kV par entrefer
- Protection contre les surtensions conforme à la norme CEI 61000-4-5 ±1 kV avec des composants externes sélectionnés
- Plage de température de fonctionnement de -40 °C à +105 °C
- Protection contre coupure thermique
- Suralimentation des données
- Une seule paire pour économiser le coût du câble
- Indifférent à la polarité pour une installation facile
- Lignes couplées CA pour un CC équilibré
- Nœuds multiples prenant en charge une topologie complexe
- Longueur de câble longue (jusqu’à 1 km), chutes multiples (32 nœuds standard, jusqu’à 256 nœuds), faible vitesse (<200 kb/s) et communication économique
- Permet un petit facteur de forme, une meilleure intégrité du signal et une solution de données sur alimentation robuste
Applications
- HVAC
- Suralimentation des données
- Signalétique numérique
- Surveillance et détection à distance
Vidéos
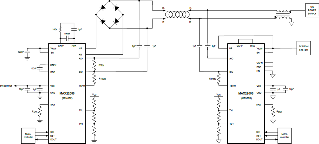
Système de Home bus simplifié
Ressources supplémentaires
Publié le: 2020-05-11
| Mis à jour le: 2024-08-23
