Analog Devices Inc. Kit d'évaluation MAX22007EVKIT
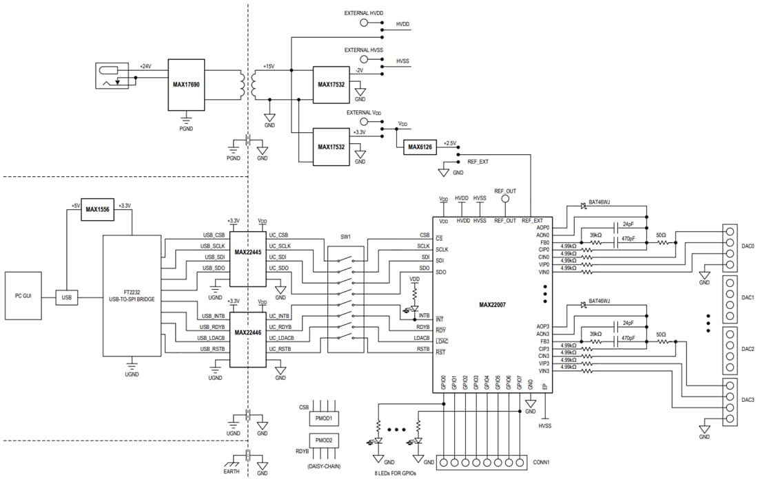
Le kit d'évaluation MAX22007EVKIT d'Analog Devices fournit le matériel et les logiciels nécessaires pour évaluer la sortie analogique configurable industrielle à quatre canaux MAX22007. Le MAX22007EVKIT communique avec une interface utilisateur graphique (GUI) fonctionnant sur un PC via un port USB. Le kit d'évaluation fournit le pont USB-SPI FT2232 embarqué pour la communication SPI, mais permet également à un maître SPI externe de communiquer avec le MAX22007 via le connecteur PMOD1. Les convertisseurs CC-CC embarqués génèrent les tensions d’alimentation nécessaires, +15 V pour HVDD, +3,3 V pour VDD et -2 V pour HVSS pour alimenter le MAX22007. Plusieurs cartes MAX22007EVKIT peuvent être connectées en mode en guirlande à l’aide de connecteurs PMOD1 et PMOD2.Caractéristiques
- Deux modes accessibles
- Mode tension de sortie analogique
- Mode courant de sortie analogique
- Prend en charge la détection d'impédance de charge
- Accès à tous les GPIO
- Logiciel compatible avec Windows® 10
- Configuration de la carte PCB éprouvée
- Totalement assemblée et testée
Applications
- Sorties analogiques immotique
- Cartes de sortie analogiques configurables
- Sorties analogiques d'automatisation industrielle
- Automatisation des procédés
- Contrôleurs logiques programmables
Équipement nécessaire
- Kit d'évaluation MAX22007EVKIT
- Câble micro-USB
- Alimentation électrique CC 24 V, 1 A
- PC Windows 10 avec un port USB libre
- Multimètre
Schéma fonctionnel
Ressources supplémentaires
Publié le: 2020-10-20
| Mis à jour le: 2024-07-15
