Analog Devices Inc. Convertisseur USB Type-A vers Type-C automobile MAX20463
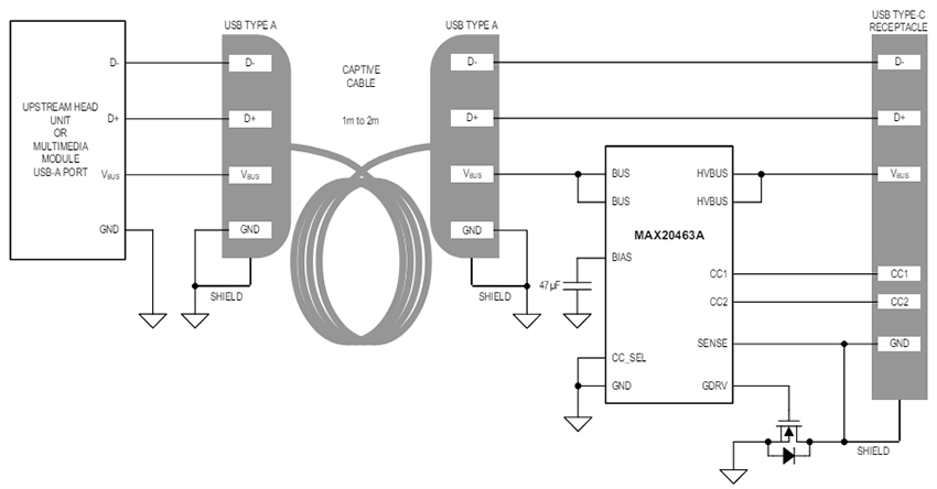
Les convertisseurs USB Type-A vers Type-C automobiles MAX20463 sont utilisés pour convertir un port de câble captif de l'unité de tête USB-A en port de câble captif USB Type-C ™ de l'unité de tête. Les dispositifs MAX20463 sont conçus pour les modules automobiles. À l'extrémité du câble, une solution USB-A de l'unité de tête amont existante et un boîtier de câble captif USB-A peuvent être réutilisés. Les caractéristiques de protection du composant comprennent une DES CEI 61000-4-2 de±15 kV/ ±8 kV sur CC1/CC2 et une DES CEI avec court-circuit vers batterie (18 V) sur SENSE/HVBUS. Le MAX20463A détecte un court-circuit du blindage du câble passager vers une batterie de voiture, empêchant ainsi d'endommager le port.La survie aux courts-circuits vers la terre et aux courts-circuits vers la batterie est également fournie sur le signal HVBUS et est définie pour fonctionner en accord avec le chargeur/protecteur USB-A de l'unité de tête existante. Cela permet une détection de défaut coordonnée et un signalement à l'hôte USB de l'unité de tête. Le composant est conforme à la spécification USB Type-C.
Le MAX20463 d'ADI est disponible en petit boîtier TDFN à 12 broches de 3 mm x 3 mm, utilisant très peu de composants externes.
Caractéristiques
- Conformité USB Type-C R1.3 avec décharge VBUS intégrée
- Contrôleur DFP USB Type-C 1,5 A et 3,0 A
- Réduction de limite du courant Type-C avec perte de niveau VBUS
- Conçu pour une protection coopérative avec un protecteur d'unité de tête
- Survie aux courts-circuits vers la batterie et aux courts-circuits vers la terre sur HVBUS pour un protecteur amont à gérer
- Seuil de courant direct de bus USB précis
- Commutateur d'alimentation USB à faible RON de 28 mΩ (standard)
- Homologué AEC-Q100
- La robustesse de conception garantit la sécurité des systèmes de véhicules et des dispositifs portables dans les environnements automobiles.
- Détection de court-circuit de blindage en option et contrôle FET externe
- Protection contre les courts-circuits vers le BUS sur les sorties CC1 et CC2 protégées
- Protection DES niveau 4 CEI 61000-4-2 (HVBUS, CC1, CC2, SENSE)
- Boîtier TDFN à 12 broches de 3 mm x 3 mm
- Plage de température de fonctionnement de -40 °C à +105 °C
Applications
- Modules USB automobiles en aval
- Boîtier de câble captif USB automobile
Schéma fonctionnel simplifié
Schéma fonctionnel
Publié le: 2020-06-08
| Mis à jour le: 2024-05-29
