Analog Devices Inc. PMIC portable à Ultra-faible puissance MAX20360
Le circuit intégré de gestion d’alimentation (PMIC) MAX20360 d'Analog Devices est une solution de gestion d’alimentation programmable hautement intégrée pour les applications portables à ultra-faible puissance. Le MAX20360 est optimisé en taille et en rendement pour améliorer la valeur du produit final en prolongeant la durée de vie de la batterie et en réduisant la taille globale de la solution. Un ensemble flexible de régulateurs de tension à puissance optimisée, comprenant plusieurs convertisseurs buck, boost, Buck-Boost et des régulateurs linéaires, fournit un haut niveau d’intégration et la capacité de créer une architecture de puissance entièrement optimisée. Le courant de repos de chaque régulateur est très faible et vise à prolonger la durée de vie de la batterie dans les applications toujours actives.Le MAX20360 intègre une solution complète de gestion de batterie avec un joint de batterie, un chargeur, un chemin d’alimentation et une jauge de carburant. La gestion thermique et la protection de l’entrée sont toutes deux intégrées au chargeur. Le dispositif comprend également un contrôleur de boutons programmable en usine avec de multiples entrées qui peuvent être personnalisées pour répondre aux exigences spécifiques de l’UX du produit.
Trois puits de courant à DEL intégrés sont inclus pour les fonctions d’indicateur ou de rétroéclairage, et un pilote ERM/LRA avec suivi automatique de la résonance peut fournir un retour haptique sophistiqué à l’utilisateur. Un convertisseur Buck-Boost 1,5 W à faible bruit fournit un moyen propre d’alimenter les LED couramment utilisées dans les systèmes optiques de fréquence cardiaque. Le composant est configurable via une interface I2C qui permet de programmer diverses fonctions et de lire l’état du composant, y compris la capacité de lire la température et les tensions d’alimentation avec le convertisseur analogique-numérique (CAN) intégré.
Le PMIC MAX20360 d'Analog Devices est disponible en boîtier WLP (Wafer-Level Package) 4,88 mm x 4,19 mm, 72 picots et fonctionne sur la plage de températures étendue de -40 °C à +85 °C.
Caractéristiques
- Prolonge le temps d’utilisation de la batterie entre le chargement de la batterie
- 2 régulateurs buck micro-IQ, 400 mA (330 nA IQ standard chacun)
- 0,550 V à 1,180 V par incréments de 10 mV
- 0,550 à 2 125 V par incréments de 25 mV
- 0,550 V à 3,700 V par incréments de 50 mV
- Régulateurs buck Micro-IQ, 600 mA (330 nA IQ standard)
- 0,550 V à 1,180 V par incréments de 10 mV
- 0,550 à 2 125 V par incréments de 25 mV
- 0,550 V à 3,700 V par incréments de 50 mV
- Micro-IQ LV LDO/commutateur de charge (1 μA IQ standard)
- Tension d’entrée de 1,0 V à 2,0 V
- Sortie de 50 mA
- Sortie 0,5 V vers 1,95 V, pas de 25 mV
- Micro-IQ LDO/commutateur de charge (1 μA IQ standard)
- Tension d’entrée de 1,71 V à 5,5 V
- Sortie de 100 mA
- Pas de 0,9 V à 4 V, 100 mV
- Régulateur buck-boost Micro-IQ (2 μA IQ standard)
- Sortie 1,5 W
- 2,6 à 5 V par incréments de 50 mV
- Charge de batterie Li+ facile à mettre en œuvre
- Large plage de courants de charge rapide de 5 à 500 mA
- Entrée tolérante : 28 V/-5,5 V
- Profils de courant/tension JEITA programmables
- Réduction de l’empreinte de la solution grâce à une haute intégration
- LDO de sortie sécurisée 3,3 V ou 5,0 V, 15 mA quand CHGIN est présent
- Pilote haptique ERM/LRA
- Freinage automatique (LRA uniquement)
- Suivi automatique de la résonance (LRA uniquement)
- Prend en charge un large éventail d’options d’affichage
- Régulateur boost Micro-IQ (2,4 μA IQ standard)
- Sortie de 300 mW
- 5 à 20 V par incréments de 250 mV
- Puits de courant à 3 canaux
- Tolérance de 20 V
- Programmable de 0,6 à 30,0 mA
- Contrôle optimisé du système
- Contrôleur à bouton-poussoir programmable
- Séquençage d’alimentation programmable
- Mode étagère d’usine
- Mux et CAN de surveillance du courant de tension/charge sur puce
- Boîtier de 4,88 mm WLP72 x 4,19 mm avec un pas de 0,5 mm
Applications
- Appareils portables
- IdO (Internet des objets)
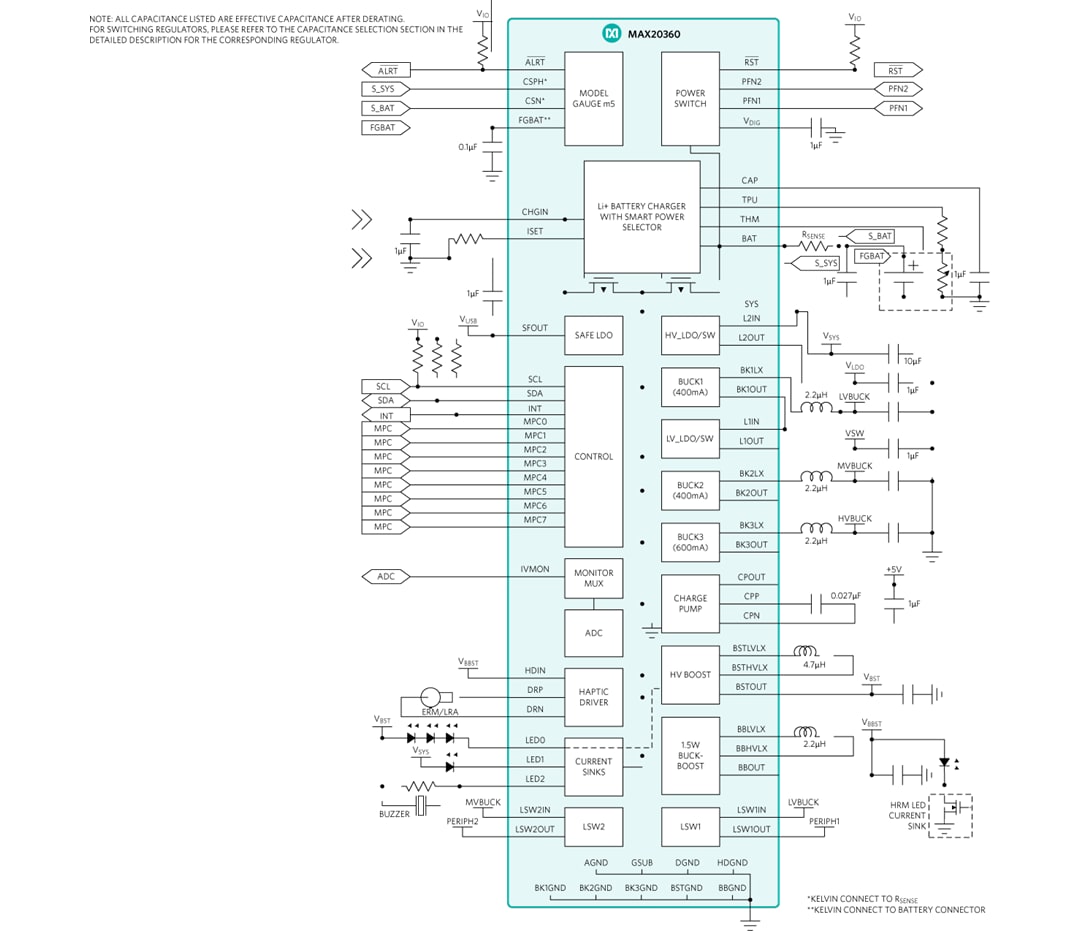
Schéma fonctionnel
