Analog Devices / Maxim Integrated MAX20090 High-Voltage High-Brightness LED Driver
Analog Devices MAX20090 Automotive High-Voltage High-Brightness LED Controller controls various automotive light applications. The controller is a single-channel LED driver for front-light applications such as high beams, low beams, daytime running lights (DRLs), turn indicators, fog lights, and other LED lights. MAX20090 can take an input voltage from 5V to 65V and drive a string of LEDs with a maximum output voltage of 65V. The device senses output current at the high side of the LED string. The pulse width modulation (PWM) input provides LED dimming ratios of up to 1000:1, and the ICTRL input provides additional analog dimming capability in the controller. The Analog Devices MAX20090 High-Voltage High-Brightness LED Driver also has built-in spread-spectrum modulation for improved electromagnetic-compatibility performance.Features
- 1x channel
- 55mA output current
- +5V to +65V wide input voltage range
- +65V maximum boost output voltage
- ICTRL pin for analog dimming
- Integrated high-side current-sense amplifier
- Flexible architecture enables easy design optimization
- Programmable switching frequency (200kHz to 2.2MHz)
- Spread-spectrum modulation to reduce EMI noise
- Fault diagnosis through fault flag
- Short circuit, overvoltage, and thermal protection
- -40°C to +125°C operating temperature range
Applications
- Automotive exterior lighting
- High-beam/low-beam/signal/position lights
- Daytime Running Lights (DRLs)
- Fog lights and adaptive front-light assemblies
- Head-up displays
- Commercial, industrial, and architectural lighting
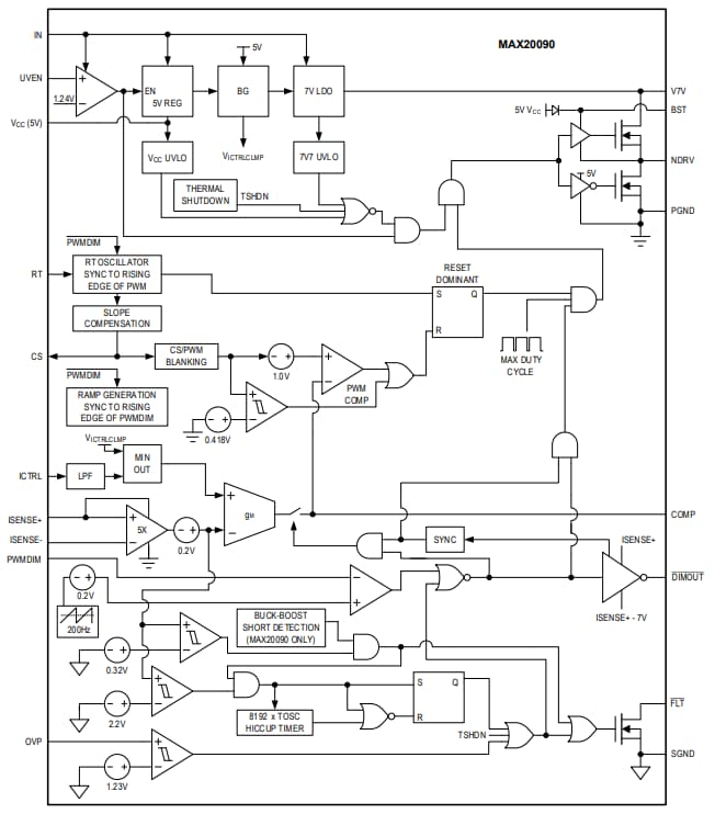
Block Diagram
Publié le: 2019-09-16
| Mis à jour le: 2023-04-22
