Analog Devices Inc. PMIC automobiles MAX20029x
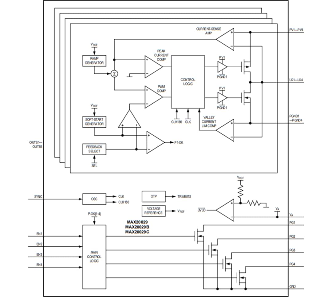
Les PMIC (CI de gestion de l'alimentation) automobiles MAX20029x d'Analog Devices Inc. intègrent quatre convertisseurs CC-CC abaisseurs basse tension à haute efficacité. Chacune des quatre sorties est programmable en usine ou par résistance entre 0,7 et 4,0 V. Le MAX20029 dispose de quatre canaux d'1,5 A. Le MAX20029B dispose de deux canaux d'1,5A/3,0 A. Le MAX20029C dispose de quatre canaux d'1,5 A avec un faible VOUT jusqu’à 0,7 V. Le MAX20029D dispose de deux canaux de 0,5 A/1,5 A et, par combinaison des canaux 1 et 2, d'un seul canal 2 A/3 A. Ces PMIC fonctionnent de 3,0 à 5,5 V, ce qui les rend idéaux pour les applications automobiles de point de charge (PoL) et de post-régulation.Les MAX20029, MAX20029B, MAX20029C et MAX20029D disposent d’un fonctionnement en mode PWM à fréquence fixe avec une fréquence de commutation de 2,2 MHz. Le fonctionnement à haute fréquence permet une conception de condensateur tout céramique et des composants externes de petite taille. Les commutateurs sur puce à faible résistance assurent une haute efficacité à hautes charges tout en minimisant les inductances critiques, faisant de la disposition une tâche beaucoup plus simple par rapport aux solutions discrètes. La détection de courant interne et la compensation de boucles réduisent l’espace sur carte et les coûts de système.
Les PMIC offrent une option de spectre étalé pour réduire les émissions rayonnées. Deux des quatre convertisseurs d'abaissement de tension fonctionnent à 180° de déphasage avec l’horloge interne. Cette caractéristique réduit la capacité d'entrée nécessaire et améliore également les EMI. Les quatre convertisseurs Buck fonctionnent en mode MLI constant en dehors de la bande AM. Les PMIC offrent une entrée SYNC pour se synchroniser avec une horloge externe.
Les MAX20029, MAX20029B, MAX20029C et MAX20029D fournissent des entrées d’activation individuelle et des sorties de bonne alimentation/réinitialisation, ainsi que des durées de signaux PG programmables en usine.
Ces composants offrent plusieurs caractéristiques importantes de protection, notamment une protection contre les surtensions d’entrée, un verrouillage de sous-tensions d’entrée, une limitation de courant cycle par cycle et un arrêt en surchauffe. Les PMIC MAX20029, MAX20029B, MAX20029C et MAX20029D sont disponibles en boîtier TQFN 28 broches avec une pastille exposée et sont homologués AEC-Q100 pour les applications automobiles.
Caractéristiques
- Convertisseurs CC-CC abaisseurs quadruples avec FET intégrés
- MAX20029 : jusqu'à quatre canaux de 1,5 A
- MAX20029B, MAX20029D : jusqu’à un canal de 3 A + deux canaux d'1,5 A
- MAX20029C : jusqu’à quatre canaux d'1,5 A avec un faible V OUT de 0,7 V
- Plage de tensions d’entrée de 3,0 V à 5,5 V
- Tension de sortie fixe ou réglable de 1,0 V à 4,0 V
- Fréquence de commutation 2,2 MHz
- Conçu pour améliorer les performances EMI automobiles
- Fonctionnement MLI forcé
- Deux canaux hors phase 180°
- Entrée SYNC
- Option de spectre étendu
- Le démarrage progressif et le séquençage d'alimentation réduisent le courant d'appel
- Entrées d'activation individuelles et sorties de bonne alimentation pour simplifier le séquençage
- Surveillance de la tension d'entrée OV
- Protection contre les surchauffes et les courts-circuits
- Plage de température de fonctionnement: -40 °C à +125 °C
- Boîtier TQFN-EP-28 (5,0 mm × 5,0 mm x 0,8 mm)
- Homologué AEC-Q100
- Sans plomb et conforme à la directive RoHS
Applications
- Applications de point de charge (PoL) automobile
- Systèmes d’alimentation CC distribués
Circuit d'application standard
Schéma fonctionnel
