Analog Devices Inc. Capteur intelligent haute tension MAX17843
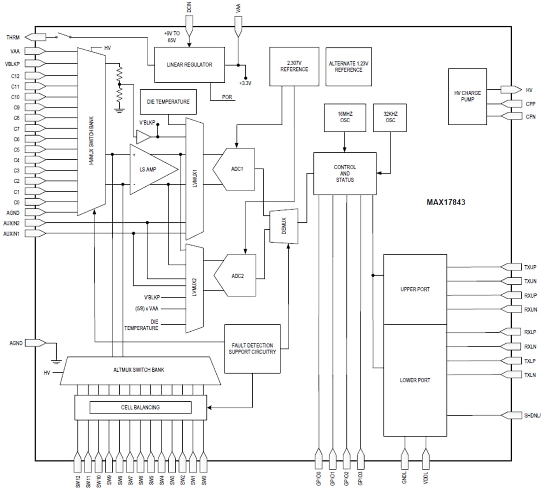
Le capteur intelligent haute tension MAX17843 d’Analog Devices Inc. est une interface d’acquisition de données intelligente de surveillance de batterie à 12 canaux programmable, hautement intégrée, haute tension avec des caractéristiques de sécurité étendues. Le capteur est optimisé pour une utilisation avec les batteries dans les systèmes automobiles, les blocs de batteries électriques hybrides, les voitures électriques et tout système qui empilent de longues chaînes de batteries métalliques secondaires. Ce capteur de batterie hautement intégré intègre un bus UART différentiel haute vitesse pour une communication série robuste en guirlande.Le frontal analogique combine un système d'acquisition de données de mesure de tension à 12 canaux avec une entrée de banc de commutateurs à haute tension. Toutes les mesures sont effectuées de manière différentielle sur chaque cellule. La plage de mesure à pleine échelle va de 0 à 5,0 V, avec une plage utilisable de 0,2 V à 4,8 V. Un convertisseur A/N à approximations successives (SAR) haut débit est utilisé pour numériser les tensions des cellules à une résolution de 14 bits avec un sur-échantillonnage. Toutes les 12 cellules peuvent être mesurées en moins de 142 µs. Le MAX17843 utilise une approche à 2 balayages pour collecter les mesures des cellules et les corriger en cas d’erreur. Cette approche biphasée offre une excellente précision sur la température et face au bruit extrême dans le système.
Le MAX17843 dispose de deux entrées analogiques auxiliaires qui peuvent être utilisées pour mesurer des composants de thermistance externes. Une thermistance à coefficient de température négatif (CTN) peut être configurée avec les entrées analogiques AUXIN pour surveiller avec précision la température du module ou de la cellule de batterie. Un détecteur de surcharge thermique désactive le régulateur linéaire du MAX17843 pour protéger le CI et une mesure de la température de la puce est également disponible.
Caractéristiques
- Mesure de la tension de batterie 12 cellules pour les cellules Lithium-Ion, NiMH ou Super-Cap
- 2 entrées analogiques auxiliaires pour thermistance NTC ou mesure de tension absolue
- Mesure de la température de la puce et alerte
- E/S de mesure différentielle de haute précision
- Précision de ±2 mV à +25 °C et 3,6 V
- Système intégré d'acquisition de données à 12 canaux
- Multiplexeur à haute tension différentiel vers CAN
- Résolution du CAN 14 bits avec suréchantillonnage
- 12 tensions de cellules mesurées en 142 μs
- Mesure de tension de module
- CAN redondant
- Détection de défaut de batterie
- Détection de seuil numérique de surtension et de sous-tension
- Caractéristiques de diagnostic améliorées pour la détection des défauts pour prendre en charge ASIL et FMEA
- 12 commutateurs d’équilibrage de cellule internes
- Prend en charge jusqu’à 150 mA par commutateur
- Mode de décharge de cellules d’urgence
- Régulateur linéaire d'entrée intégré de 9 V à 65 V
- Référence de tension à compensation de température intégrée
- Interface UART différentielle robuste en guirlande
- Jusqu’à 32 CI connectés dans une seule guirlande
- Compatible avec une connexion microcontrôleur (MCU) directe
- Octets UART standard à débit 2 Mb/s (maximum)
- 4 lignes E/S numériques à usage général
- Diagnostics intégrés pour prendre en charge les exigences ASIL D et FMEA
- Dissipation d'énergie ultra faible
- Courant d’alimentation en mode veille 2,0 mA (standard)
- Courant de fuite en mode arrêt 3 µA
- Plage de température de fonctionnement de -40 °C à +125 ºC (AEC-Q100 classe 1)
- Boîtier LQFP 64 broches, sans plomb/conforme à la directive RoHS, 10 mm x 10 mm
Applications
- Modules ou systèmes de batteries de véhicules 48 V
- Blocs de batteries
- Vélos électriques
- Systèmes de batterie de secours haute puissance
- Véhicule électrique (EV) haute tension
- Véhicules électriques hybrides (VEH)
- Outils électriques
- Systèmes de secours de supercondensateurs
Vidéos
Schéma fonctionnel
