Analog Devices / Maxim Integrated Contrôleur de chargeur de batterie Li-Ion MAX17703
Le contrôleur de chargeur de batterie Li-Ion abaisseur MAX17703 d'Analog Devices est un contrôleur de chargeur de batterie Li-Ion Himalaya abaisseur, synchrone, haute tension et haut rendement conçu pour fonctionner sur une plage de tension d’entrée de 4,5 V à 60 V.Le contrôleur MAX17703 fonctionne sur une large plage de températures de -40 à +125 °C et fournit une solution de charge complète pour les batteries Li-ion avec une précision de courant constant de ± 4 %. La tension de sortie est programmable de 1,25 V à (VCCIN - 2,1 V) avec une précision de régulation de ± 1 %.
Le contrôleur de chargeur de batterie Li-Ion MAX17703 d'Analog Devices utilise un nMOSFET externe pour fournir une protection contre les courts-circuits côté alimentation d’entrée, empêchant ainsi la décharge de la batterie. Le dispositif charge la batterie dans des états de courant constant (CC) et de tension constante (CV) et se termine dans un état de charge de rechargement une fois que le minuteur du potentiomètre est épuisé.
Le MAX17703 est logé dans un boîtier TQFN à 24 broches de 4 x 4 mm avec pastille exposée.
Caractéristiques
- Caractéristiques optimisées pour les batteries Li-Ion, notamment Li-polymère, LiFePO4 et Li-Titanate
- Précision de la régulation du courant de charge de ± 4 %
- Précision du moniteur de courant de charge (ISMON) de ± 6 %
- Précision de la régulation de tension de ± 1 %
- Courant de charge en mode courant constant (CC) programmable (ILIM)
- Terminaison de charge sur détection de batterie complète avec seuil de courant de potentiomètre et minuteur de potentiomètre
- Large plage de tensions d’entrée de 4,5 à 60 V
- Plage de tensions de sortie réglable de 1,25 V à (VCCIN - 2,1 V)
- Fréquence réglable de 125 kHz à 2,2 MHz avec synchronisation d’horloge externe (RT/SYNC)
- Fonctionnement fiable dans les environnements hostiles
- Protection contre les courts-circuits en entrée (GATEN)
- Fonction minuteur de sécurité (TMR)
- Détection et préconditionnement des batteries profondément déchargées (DDTH)
- Détection de la température de la batterie et charge lorsque la température est comprise dans la plage (TEMP)
- Limite de surintensité cycle par cycle
- Seuil EN/UVLO programmable
- Surveillance de sortie d’état à l’aide de sorties à drain ouvert (FLG1 et FLG2)
- Protection contre les surchauffes
- Conforme à la norme CISPR 32 (EN55032), classe B, relative aux émissions conduites et rayonnées
- Large plage de températures de fonctionnement ambiantes de -40 à +125 °C / plage de températures de jonction de -40 à +150 °C
Applications
- Chargement de batteries industrielles et stockage d’énergie
- Outils électriques et terminaux portables
- Batterie de secours pour l’éclairage, les caméras de sécurité et les panneaux de commande
- Équipements médicaux et industriels portables
- Alimentation de secours pour pour l’utomatisation résidentielle et commerciale
Vidéos
Circuit d’application simplifié
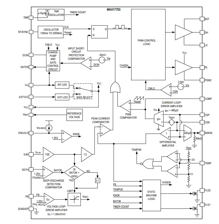
Schéma fonctionnel
