Analog Devices Inc. Convertisseurs Flyback isolés MAX17691A & MAX17691B
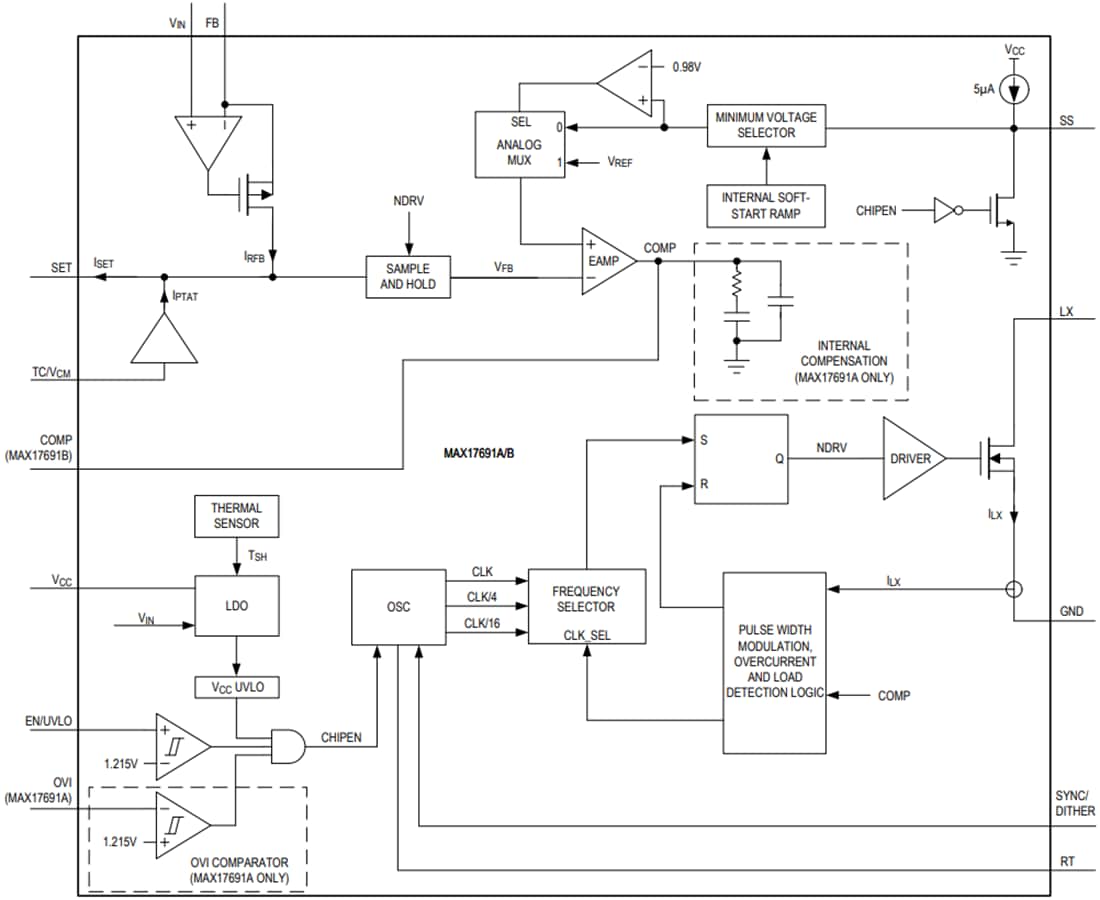
Les convertisseurs Flyback isolés MAX17691A et MAX17691B d'Analog Devices Inc. sont des convertisseurs Flyback à nMOSFET intégrés, haute efficacité et sans optocoupleur qui utilisent uncontrôle en mode courant de crête à fréquence fixe. Ces dispositifs détectent la tension de sortie isolée directement à partir de la forme d'onde Flyback côté primaire pendant le temps d'arrêt du nMOSFET intégré. Aucun amplificateur d'erreur côté secondaire et optocoupleur ne sont nécessaires pour fournir une tension de sortie précise, isolée et régulée, ce qui permet d'économiser jusqu'à 20 % d'espace sur le circuit imprimé, par rapport à un convertisseur Flyback traditionnel.Les dispositifs MAX17691A et MAX17691B d'Analog Devices sont dotés d'un commutateur primaire nMOSFET intégré à faible RDS(ON), 76 V, 170 mΩ, conçus pour fonctionner sur une large plage d'alimentation allant de 4,2 V à 60 V. La fréquence de commutation de ces dispositifs est programmable de 100 kHz à 350 kHz. Une fonction EN/UVLO permet à l'utilisateur d'allumer/éteindre le convertisseur de puissance précisément à la tension d'entrée souhaitée. il est possible de mettre en œuvre la protection contre les surtensions en entrée à l’aide de la broche OVI (MAX17691A uniquement). Le démarrage progressif limite le courant d’appel au démarrage. Le MAX17691A et le MAX17691B prennent en charge la synchronisation d’horloge externe pour éviter les impulsions à basse fréquence sur le bus d’entrée dans les systèmes dotés de plusieurs convertisseurs. Ces dispositifs sont également dotés d’un décalage de fréquence programmable pour un fonctionnement à faible EMI et à spectre étalé.
Le MAX17691A et le MAX17691B permettent une compensation de température pour les variations de chute de tension directe de la diode du redresseur en sortie. Le MAX17691A est compensé en interne pour la stabilité de la boucle, tandis que le MAX17691B offre une flexibilité de compensation de boucle externe. Les modèles MAX17691A et MAX17691B sont dotés de systèmes robustes de protection contre les coupures intermittentes et deprotection thermiques. Ils sont disponibles dans un boîtier TDFN 12 broches compact de 3 mm x 3 mm, avec une plage de températures allant de -40 °C à +125 °C.
Caractéristiques
- Réduit les composants externes et le coût total
- Élimine l’optocoupleur et l’amplificateur d’erreur côté secondaire
- Jusqu'à 20 % économies d'espace
- 76 V, faible RDS(ON) intégré nMOSFET
- Compensation de boucle interne (MAX17691A uniquement)
- Démarrage progressif intégré
- Réduction de la dissipation d'énergie
- >90% efficacité
- Puissance de sortie jusqu'à 7,5 W
- Le repli de fréquence permet un rendement amélioré à faible charge
- Courant d’arrêt de 2,5 μA
- Prend en charge les exigences de conception clés au niveau du système
- Le décalage de fréquence prend en charge un fonctionnement à faible EMI et à spectre étalé
- Synchronisation de la fréquence de commutation
- Conforme aux exigences EMI de CISPR22 de classe B
- Fonctionnement fiable dans les environnements hostiles
- Compensation de la température de sortie en option
- Protection de limitation de courant de ratés
- Seuil EN/UVLO programmable
- Protection contre les surtensions d'Entrée (OVI) (MAX17691A uniquement)
- Protection contre les surchauffes
- plage de température de fonctionnement ambiante -40 °C à +125 °C de haute qualité industrielle
- Plage de température de jonction de -40 °C à +150 °C
Applications
- Sources d’alimentation isolées
- Modules E/S PLC
- Alimentations de pilote de grille IGBT
- Industrie et télécommunications
Schéma fonctionnel
