Analog Devices / Maxim Integrated MAX17524 Synchronous Step-Down DC-DC Converter
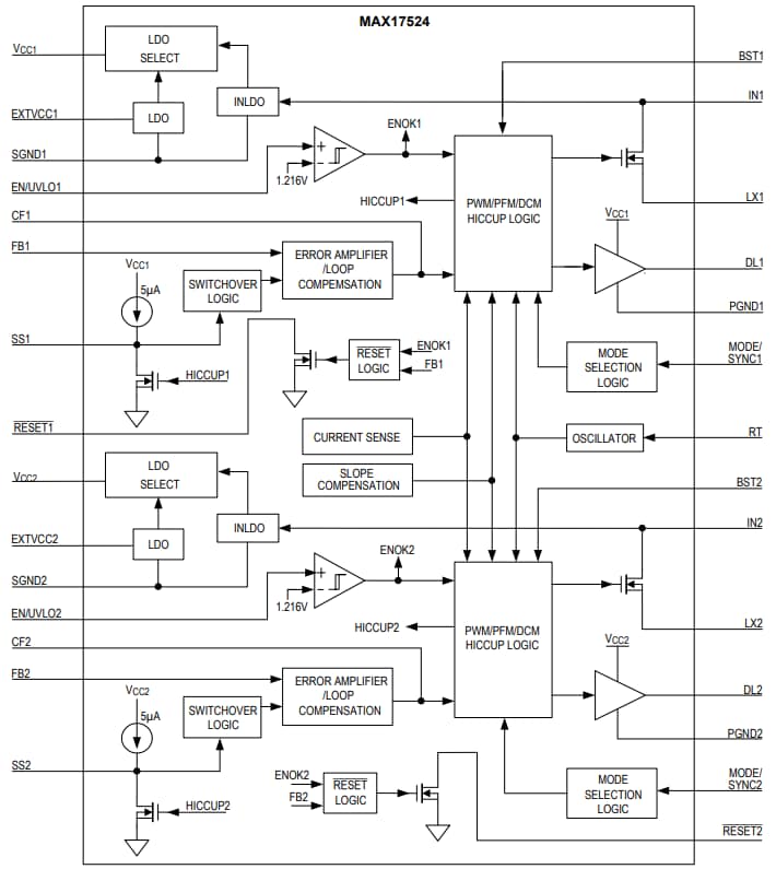
Analog Devices MAX17524 Synchronous Step-Down DC-DC Converter is a dual-output, high-efficiency, high-voltage converter with integrated high-side MOSFETs. The device operates over a 4.5V to 60V input-voltage range. The device delivers up to 3A on each output and generates output voltages from 0.9V up to 90% of VIN. The Analog Devices MAX17524 features internal compensation, uses peak current-mode control, and can be operated in pulse-width modulation (PWM), pulse-frequency modulation (PFM), and discontinuous-conduction mode (DCM). This feature enables high efficiency under light-load conditions with a feedback-voltage regulation accuracy to within ±1.4% over -40°C to +125°C. The Analog Devices MAX17524 Synchronous Step-Down DC-DC Converter is housed in a 32-pin (5mm x 5mm) Thin QFN (TQFN) package.Features
- Reduces external components and total cost
- No Schottky - synchronous operation
- Internal compensation components
- All-ceramic capacitors, compact layout
- Reduces the number of DC-DC regulators to stock
- Wide 4.5V to 60V input
- Adjustable output range from 0.9V up to 90% of VIN
- Delivers up to 3A on each output over the temperature range
- 100kHz to 1.1MHz adjustable frequency with external clock synchronization
- Available in a 32-pin, 5mm x 5mm TQFN package
- Independent input-voltage pins for each output
- Reduces power dissipation
- Peak efficiency of 90.3%
- PFM and DCM modes enable enhanced light load efficiency
- Auxiliary bootstrap supply (EXTVCC) for improved efficiency
- 5.2μA shutdown current
- Operates reliably in adverse industrial environments
- Hiccup-mode overload protection
- An independently adjustable soft-start pin and programmable EN/UVLO pin for each output
- Monotonic startup with pre-biased output voltage
- Built-in independent output-voltage monitoring with RESET for each output
- Overtemperature protection
- High industrial -40°C to +125°C ambient / -40°C to +150°C junction
Applications
- Industrial control power supplies
- General-purpose Point-of-Load (POL)
- Distributed supply regulation
- Base station power supplies
- Wall transformer regulation
- High-voltage single-board systems
Block Diagram
Publié le: 2018-04-09
| Mis à jour le: 2023-04-11
