Analog Devices / Maxim Integrated MAX16141/MAX16141A Ideal Diode Controllers
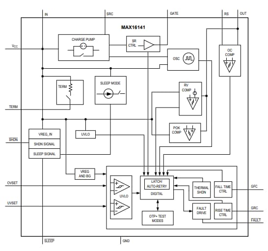
Analog Devices MAX16141/MAX16141A Ideal Diode Controllers protect against various system faults, such as reverse voltage, reverse current, input overvoltage / undervoltage, overcurrent, and overtemperature conditions. A wide operating voltage range of 3.5V to 36V, combined with 5μA (typical) of shutdown current, makes the MAX16141/MAX16141A ideal for automotive applications. The power loss between the source and the load is minimized by an integrated charge pump that drives the gate of the back-to-back external nFETs 9V (typical) above the source connection.The Analog Devices MAX16141 controllers feature a low-power mode that allows sourcing limited power to the load and an internal switch that helps save power during shutdown mode. These MAX16141 diode controllers also come with a fault output that asserts during fault conditions. Typical applications include automotive power systems, network/telecom power systems, RAID systems, servers, and Power over Ethernet (PoE) systems.
Features
- Wide voltage range
- 3.5V to 36V operating voltage range
- -36V to 60V protection voltage range
- Eliminates discrete diode power dissipation
- Low-power shutdown reduces battery drain
- 5µA (typical) shutdown current
- Term switch isolates UVLO and OVLO circuitry in shutdown
- Isolates failed supply from the load
- Bidirectional current blocking on open
- Bidirectional voltage blocking on open
- Current protection
- Factory adjustable overcurrent trip thresholds
- Factory adjustable reverse-current trip thresholds
- Resistor adjustable overvoltage and under-voltage trip thresholds
- Automotive qualified
- Operates down to 3.5V that rides out cold-crank conditions
- -40°C to 125°C operating temperature range
- N-channel MOSFET gate driver of VIN + 8V
- Fault output
- UVLO, OVLO, overcurrent, reverse-current, and thermal shutdown
Applications
- Automotive power systems
- Network/telecom power systems
- RAID systems
- Servers
- PoE systems
Block Diagram
Application Circuit
Operational Characteristics
Pin Diagram
Publié le: 2018-09-12
| Mis à jour le: 2024-10-30
