Analog Devices Inc. Contrôleurs Boost multiphasés MAX15158/MAX15158A
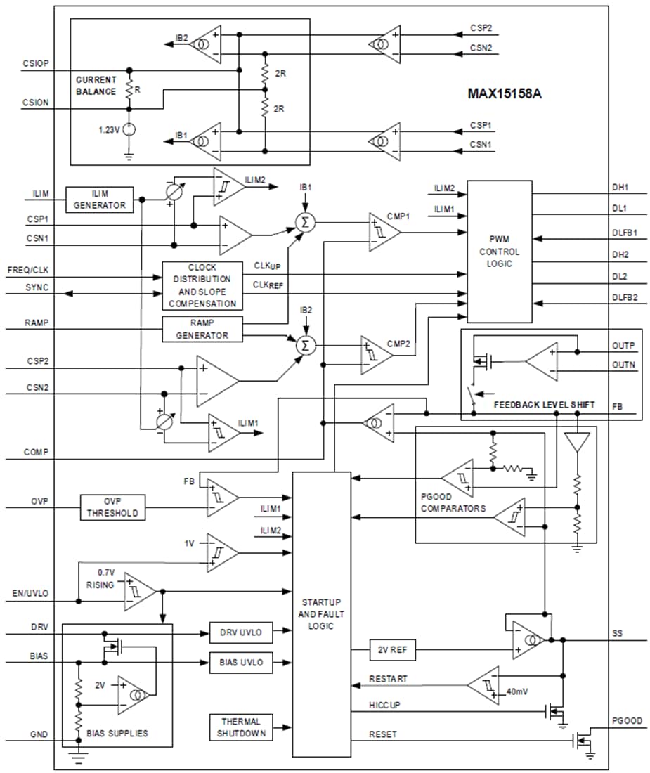
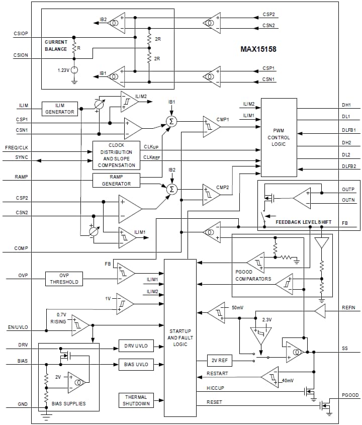
Les contrôleurs élévateurs multiphasés haute tension MAX15158/MAX15158A d'Analog Devices Inc. sont conçus pour prendre en charge jusqu'à deux pilotes MOSFET et quatre MOSFET externes dans des configurations d'élévation/d'inversion Buck-Boost monophasées ou biphasées. Deux dispositifs peuvent être empilés pour un fonctionnement quadriphasé. La tension de sortie du MAX15158 peut être réglée dynamiquement grâce à l'entrée de référence (REFIN) de 1 V à 2,2 V, pour une prise en charge de conception modulaire. Pour le MAX15158A, la broche REFIN est retirée et la tension de référence interne de 2,0 V est sélectionnée par défaut. La fréquence de commutation est contrôlée soit via une résistance externe réglant l'oscillateur interne, soit en synchronisant le régulateur avec une horloge externe. Les dispositifs sont conçus pour prendre en charge des fréquences de commutation de 120 kHz à 1 MHz. Les contrôleurs disposent d'une broche d'activation/verrouillage de sous-tension d'entrée (EN/UVLO) dédiée à configurer pour un séquençage d'alimentation flexible.Le MAX15158/MAX15158A dispose d’une broche RAMP dédiée pour ajuster la compensation de pente interne. Les dispositifs disposent d'une protection réglable contre les surintensités. Ces composants intègrent des amplificateurs de détection de courant pour mesurer avec précision le courant de chaque phase à travers des résistances de détection externes en vue de mettre en œuvre un partage précis du courant de phase. Les contrôleurs sont également protégés contre les surtensions de sortie, contre les sous-tensions d’entrée et contre tout arrêt thermique. Ces composants sont disponibles en boîtier TQFN à 32 broches 5 x 5 mm et supportent une plage de températures de jonction de -40 à +125 °C.
Caractéristiques
- Large plage de fonctionnement
- Plage de tension d'entrée de 8 V à 76 V pour la configuration Boost et plage de tension d'entrée de -8 V à -76 V pour la configuration d'inversion Buck-Boost
- Plage de tensions de sortie de 3,3 V à 60 V au-dessus de la tension d'entrée
- Gamme de fréquences de commutation de 120 kHz à 1 MHz
- Plage de températures : de -40 °C à +125 °C
- Fonctionnement monophasé/biphasé/quadriphasé
- Contrôle actif de l'équilibre du courant de phase
- L’intégration réduit l’empreinte de conception
- LDO interne pour la génération de l’alimentation de polarisation
- Synchronisation et entrelacement de plusieurs contrôleurs multiphasés
- Décalage de niveau de détection de tension de sortie
- Une protection robuste contre les défauts améliore la qualité et la fiabilité
- Verrouillage de sous-tension d’entrée réglable
- Limite de courant de crête cycle par cycle réglable et protection rapide contre les surintensités
- Protection contre les surtensions de rétroaction sélectionnable
- Arrêt thermique
- Conception de système simple et flexible
- Compensation de pente réglable
- Surveillance de grille MOSFET côté bas pour une détection précise du courant
- Le fonctionnement en mode de conduction discontinue est pris en charge lors de l'utilisation d'une diode à la place du MOSFET côté haut
- Petit boîtier TQFN de 5 mm x 5 mm, pas de 0,5 mm
Applications
- Communication
- Industriel
- Automobile
- Boost multiphasé
Schéma fonctionnel MAX15158
Schéma fonctionnel MAX15158A
Publié le: 2020-04-03
| Mis à jour le: 2024-05-08
