Analog Devices Inc. Commutateur côté haut octal industriel MAX14917
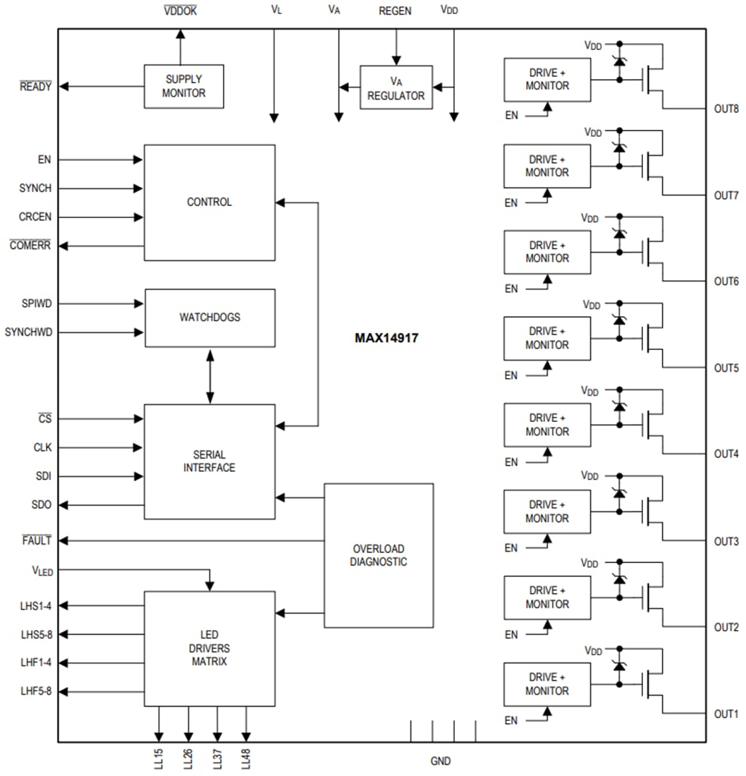
Le commutateur côté haut octal industriel MAX14917 d'Analog Devices dispose de huit commutateurs côté haut spécifiés pour délivrer jusqu'à 700 mA (minimum) de courant continu par canal. Les commutateurs côté haut ont une résistance à l'état passant de 120 mΩ (standard) à une température ambiante de +25°C. Le composant dispose d'une interface SPI qui peut être mise en guirlande, permettant une communication avec plusieurs dispositifs MAX14917 d'ADI utilisant une sélection de puce (CS) SPI commune. L'interface SPI fournit également des diagnostics de surcharge par canal. Deux temporisateurs de surveillance fournissent une vérification de sécurité supplémentaire de la connectivité maître vers dispositif.Le MAX14917 présente une matrice à barres croisées de LED 4x4, qui donne une indication visuelle de l'état des canaux et des conditions de surcharge pour chaque canal. Une protection contre les surtensions ligne-terre et ligne-ligne intégrée assure la robustesse face aux contraintes électriques conformément à la norme CEI 61000-4-5 et ne nécessite qu'un seul TVS sur VDD. Le commutateur côté haut octal industriel MAX14917 d'Analog Devices est disponible dans un boîtier compact FC2QFN à 48 broches de 6 mm x 6 mm.
Caractéristiques
- Solutions robustes
- Plage d'alimentation maximale absolue de 65 V
- Vérification d'erreur CRC sur l'interface SPI
- Minuteurs watchdog pour la surveillance SPI et SYNCH
- Diagnostic et protection contre la surcharge par canal
- Protection contre la perte de VDD ou GND
- Protection contre coupure thermique
- Protection intégrée contre les surtensions CEI 61000-4-5 ±1 kV / 42 Ω
- Mode décharge par contact ±7 kV / CEI 61000-4-2
- Mode de décharge entrefer ±30 kV / CEI 61000-4-2
- Température ambiante de fonctionnement de -40 °C à +125 ºC
- Réduit la puissance et la dissipation de chaleur
- 120 mΩ (standard) de résistance à l'état passant à TA = +25 °C
- 2,5 mA (standard) de courant d'alimentation
- Limitation précise du courant de sortie
- Flexible
- Entrée SYNCH pour la mise à jour simultanée des commutateurs
- Matrice de pilote LED pour 16x LED, alimentée de 3,0 V à 36 V
- Brides internes pour une démagnétisation de charge inductive rapide
- SPI pouvant être mis en guirlande
- Interface de tension logique flexible de 2,5 V à 5,5 V
- Brochage compatible avec les MAX14915 et MAX14916 dans une configuration en guirlande
- Boîtier FC2QFN compact de 6 mm x 6 mm
Applications
- Sorties numériques industrielles
- Systèmes PLC
- Automatisation d'usine
- Immotique
- IdO industriel
Schéma de principe simplifié
Publié le: 2020-06-04
| Mis à jour le: 2024-05-24
