Analog Devices Inc. Carte d'évaluation SCP-LT3045-1-EVALZ
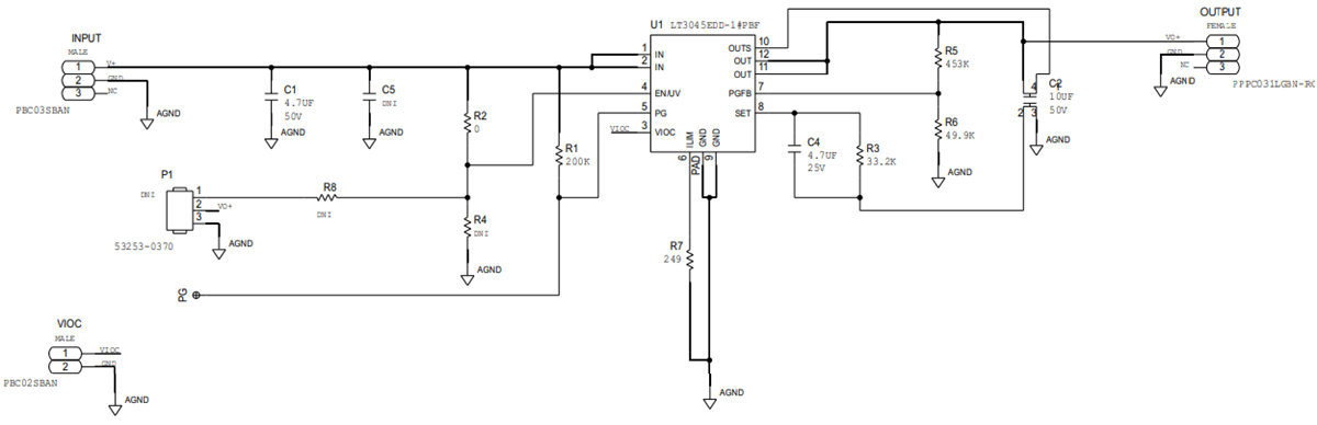
La carte d'évaluation SCP-LT3045-1-EVALZ d'Analog Devices Inc. est conçue pour évaluer le CI LT3045-1, un régulateur linéaire à faible chute de tension et haute performance. Cette carte est un régulateur à faible chute de tension (LDO) de 20 V et 500 mA qui assure un fonctionnement à faible bruit dans les circuits sensibles au bruit. La carte SCP-LT3045-1-EVALZ est configurée pour une large plage de sortie et offre un fonctionnement extrêmement silencieux avec un PSR élevé. Cette carte se branche facilement sur d'autres cartes SCP pour former un système d'alimentation de chaîne de signal complet qui permet une évaluation rapide des chaînes de signal à faible puissance.Caractéristiques
- Fonctionnement à faible bruit dans les circuits sensibles au bruit
- Tension d'entrée maximale 20 V (VIN(MAX))
- Tension de sortie maximale 19,5 V (VOUT(MAX))
- Courant de sortie maximal 500 mA (IOUT(MAX))
Schéma
Publié le: 2021-03-09
| Mis à jour le: 2022-03-11
