Analog Devices / Maxim Integrated Circuit intégré (CI) de chargeur 3,15 A MAX77789
Le circuit intégré (CI) de chargeur 3,15 A MAX77789 d'Analog Devices / Maxim Integrated offre une détection CC USB Type-C ® et une capacité de boost inverse. Le MAX77789 fonctionne sur une plage de température de - 40 °C à + 85 °C et une plage de tension d’entrée de 4,6 à 13,4 V avec une limite de courant d’entrée maximale de 3 A. Le CI met en œuvre la fonction de limitation adaptative du courant d’entrée (AICL) (régule la tension d’entrée en réduisant le courant d’entrée) pour empêcher la tension d’un adaptateur faible de s’effondrer ou de se replier.Les broches de détection de canal de configuration (CC) USB Type-C™ sur le CI fonctionnent en DRP (Port à double rôle) par défaut et sont capables de détecter automatiquement la source d’alimentation USB Type-C. Pour prendre en charge une variété d’USB existants ainsi que des adaptateurs propriétaires, le composant intègre également une détection BC1.2 à l’aide des broches D+ et D-. Le CI exécute automatiquement la broche CC et la détection BC1.2 lorsque la fiche USB est insérée sans contrôle logiciel.
Le CI offre une capacité de boost inverse jusqu’à 5,1 V, 1,5 A, qui peut être activée par voie automatique ou par le registre défini par le microcontrôleur (MCU) du système. La broche STAT1 indique le statut de charge, tandis que la broche INOKB indique une tension d’entrée valide. La broche EXTSM peut être utilisée pour quitter le mode d’expédition et forcer le système à réinitialiser (POR), et la broche STAT2 affiche la détection de défaillance et la détection de chargeur effectuée par sélection de bits de registre.
Le CI est équipé d’un Smart Power SelBee™ et d’un FET de déconnexion réelle de la batterie pour contrôler la charge/décharge de la batterie ou isoler la batterie en cas de défaillance. Le CI prend en charge les batteries Li-ion et LiFePO4 avec diverses tensions de terminaison de 3,6 à 4,55 V. Le MAX77789 d'Analog Devices / Maxim Integrated est fourni en boîtier WLP (encapsulation au niveau de la tranche) 6x6 à pas de 2,85 mm de dimensions de 0,4 x 2,85 mm, ce qui le rend adapté à un assemblage de circuit imprimé économique.
Caractéristiques
- Protection jusqu’à 16 V
- Tension de fonctionnement d’entrée maximale de 13,4 V
- Courant de charge maximal de 3,15 A
- Protection de courant de décharge de 6 A
- Détection CC intégrée pour USB de type C
- Prise en charge du port à double rôle (DRP)
- Contrôle manuel DP/DN pour le HVDCP
- Détection BC1.2 intégrée pour temporisation SDP, DCP, CDP et DCD hérités
- Détection USB intégrée pour les types de chargeurs propriétaires courants
- Configuration automatique de la limite de courant d’entrée
- Régulation de tension d’entrée avec limitation adaptative du courant d’entrée (AICL)
- Mode OTG 5,1 V/1,5 A et boost inverse BYP
- Plage de température de fonctionnement de - 40 °C à + 85 °C
- Chemin d’alimentation intégré
- Sécurité
- Minuteur de sécurité de charge
- Conformité JEITA avec le moniteur de thermistance CTN
- Coupure thermique
- Contrôle par broche de toutes les fonctions :
- Broche STAT1 pour indiquer le statut de charge
- Broche STAT2 pour indiquer la détection de défaillance et de type de chargeur terminée
- Broche INOKB pour indiquer la puissance d’entrée correcte
- Mode d’expédition broche vers sortie et POR système EXTSM
- Broche STBY pour prendre en charge le mode veille
- Broche THM pour surveiller la thermistance
- FET de déconnexion réelle de la batterie intégré
- Compatible I2C avec INTB
- Boîtier 2,85 mm WLP2, 6x6
Applications
- Terminaux de point de vente mobiles (mPOS)
- Dispositifs médicaux portables
- Casques sans fil
- Traqueurs GPS
- Socles de chargement pour dispositifs portables
- Bancs de charge
- Routeurs mobiles
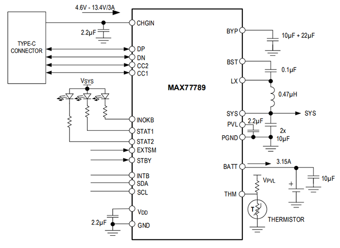
Schéma fonctionnel simplifié
Schéma de principe
