Analog Devices Inc. Pilote de rétroéclairage LED à 6 canaux MAX25169
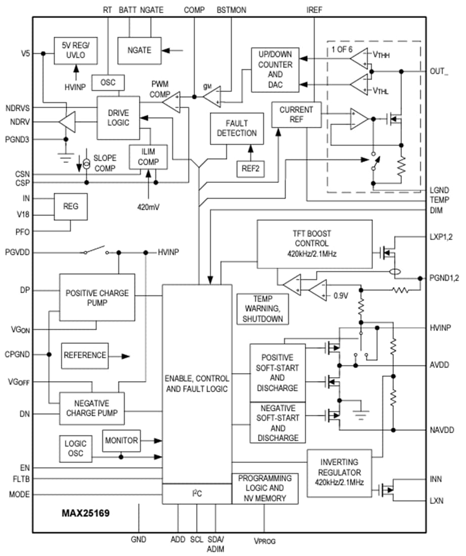
Le pilote LED de rétroéclairage à 6 canaux MAX25169 d'Analog Devices Inc. est un CI pilote de rétroéclairage LED et une alimentation électrique TFT (TCM) hautement intégrée pour les applications TFT-LCD automobiles. Ce CI est doté d’un convertisseur élévateur, de deux alimentations de pilote de grille, d'un convertisseur Buck-Boost inverseur et d'un contrôleur élévateur/SEPIC qui peut alimenter 1 à 6 chaînes de LED dans le rétroéclairage de l’écran.Les alimentations électriques du pilote-source sont constituées d'un convertisseur élévateur qui peut fournir jusqu'à +18 V en mode unipolaire. Il comprend un convertisseur Buck-Boost inverseur qui peut générer une tension pouvant descendre à -10,5 V. La sortie AVDD peut fournir jusqu'à 300 mA à 13,5 V, tandis que NAVDD peut fournir jusqu'à 200 mA. La tension positive de régulation d'alimentation (VAVDD) du pilote-source est réglée via I2C ou une mémoire NV interne. La tension négative de l'alimentation du pilote-source (VNAVDD) est toujours étroitement régulée à -VAVDD. Les alimentations de pilote-source fonctionnent à partir d'une tension d'entrée comprise entre 2,65 V et 5,5 V.
Les alimentations électriques de pilote de grille sont constituées de pompes de charge régulées qui génèrent jusqu'à +31,5 V et jusqu'à -18 V et peuvent fournir jusqu'à 15 mA chacune. Le CI dispose d'un pilote LED à 6 chaînes avec contrôle de commutateur d'entrée (NGATE) qui peut alimenter jusqu'à 6 chaînes de LED avec 150 mA (max.) de courant par chaîne. Le MAX25169 d'Analog Devices Inc. est disponible en boîtier TQFN à 48 broches de 7 mm x 7 mm avec une plaquette exposée. Il fonctionne sur la plage de température ambiante automobile de -40 °C à +125 °C.
Caractéristiques
- Puissance de polarisation TFT-LCD à 4 sorties
- Entrée de 2,65 V à 5,5 V pour la section TFT-LCD
- Convertisseurs Buck-Boost et élévateurs intégrés de 420 MHz ou 2,1 MHz
- Régulateurs de tension de grille positive et négative de 15 mA avec tension de sortie réglable (tripleur/doubleur inverseur)
- Séquencement flexible
- Détection de sous-tension sur toutes les sorties
- Mode veille à faible courant de repos
- Pilote de rétroéclairage LED à 6 canaux, 36 V
- Contrôle NGATE pour commutateur externe série nMOSFET
- Limite de courant nMOSFET programmable
- Jusqu’à 150 mA de courant par canal
- Plage de tension d'entrée de 4,5 V à 36 V, exploitation à 3 V après le démarrage
- Contrôleur Boost/SEPIC intégré (400 kHz à 2,2 MHz avec synchronisation)
- Rapport de gradation 16 667:1 à 200 Hz
- Optimisation adaptative de la tension pour réduire la dissipation d'énergie dans les dissipateurs de courant LED
- Diagnostics à chaîne ouverte, LED en court-circuit et de court-circuit vers GND
- Faible EMI
- Gradation de déphasage des chaînes LED
- Spectre étendu sur le pilote LED et les sorties TFT
- Fréquence de commutation sélectionnable
- Interface I2C pour contrôle et diagnostics
- Indication des défauts via la broche FLTB et I2C
- Mémoire à configuration non volatile
- Protection thermique et contre la surcharge
- Conforme ASIL B
- Fonctionnement à température ambiante de –40 °C à +125 °C
- Boîtier TQFN à 48 broches de 7 mm x 7 mm avec plaquette exposée
- AEC-Q100 classe 1
Applications
- Tableaux de bord automobiles
- Affichages centralisés d'informations automobiles
- Affichages tête haute pour automobile
Vidéos
Schéma fonctionnel simplifié
