Analog Devices Inc. MAX20366 PMIC
Le circuit intégré de gestion de puissance MAX20366 d'Analog Devices est optimisé en termes de taille et d'efficacité, car il prolonge la durée de vie de la batterie et réduit la taille globale de la solution. La solution de gestion de l’alimentation hautement intégrée et programmable a été développée pour les applications portables à très faible consommation d’énergie.Le MAX20366 d’Analog Devices combine un ensemble flexible de régulateurs de tension optimisés pour la puissance, y compris plusieurs convertisseurs Buck, Boost, Buck-Boost et régulateurs linéaires. Cette combinaison offre un haut niveau d’intégration et permet la création d’une architecture d’alimentation entièrement optimisée. Le courant de repos ultra-faible de chaque régulateur prolonge la vie de la batterie dans les applications allumées en permanence.
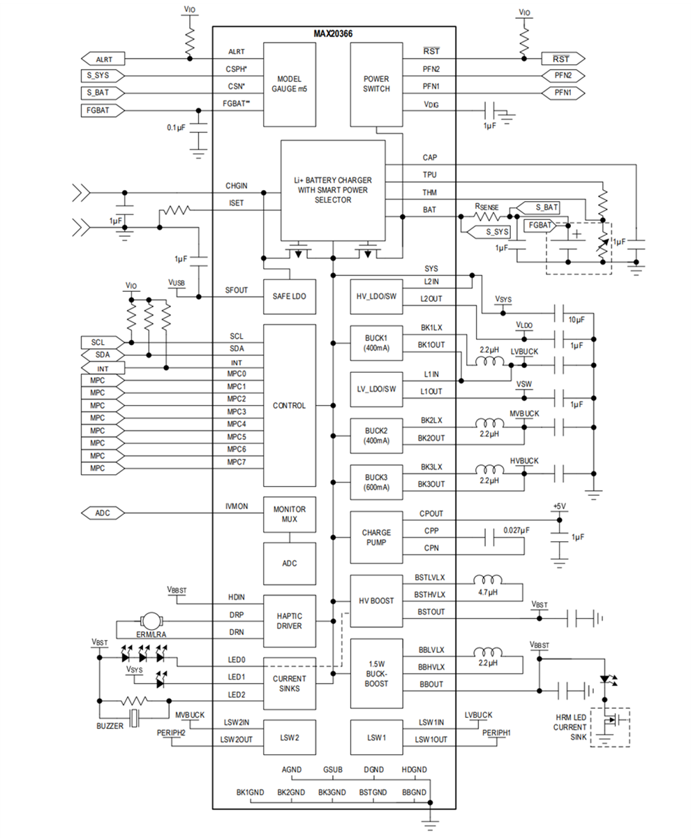
Le MAX20366 comprend une solution de gestion de batterie complète avec un joint de batterie, un chargeur, un chemin d’alimentation et une jauge de carburant. Le chargeur dispose d’une gestion thermique et d’une protection d’entrée intégrées. Le dispositif comprend également un contrôleur de bouton programmable en usine avec plusieurs entrées personnalisables pour répondre aux exigences spécifiques de l’UX du produit.
Trois puits de courant LED intégrés sont inclus pour les fonctions d’indicateur ou de rétro-éclairage, et un pilote ERM/LRA avec suivi automatique de la résonance peut fournir une rétroaction haptique raffinée à l’utilisateur. Un convertisseur Buck-Boost à faible bruit 1,5 W fournit un moyen propre d’alimenter les LED couramment utilisées dans les systèmes de fréquence cardiaque optique. Le MAX20366 d’ADI est configurable via une interface I2C qui permet de programmer diverses fonctions et de lire l’état du dispositif, y compris la possibilité de lire la température et les tensions d’alimentation avec le CAN intégré.
Le dispositif est logé dans un boîtier de 72 picots, pas de 0,5 mm, 4,88 mm x 4,19 mm, boîtier de niveau de plaquette (WLP) et fonctionne dans une plage de température étendue de -40 °C à +85 °C.
Caractéristiques
- Prolongez la durée d’utilisation de la batterie entre les charges de batterie
- 2 convertisseurs Buck de 400 mA, Micro-lQ (330 nA type IQ chacun)
- 0,550 V à 1,180 V par incréments de 10 mV
- 0,550 à 2 125 V par incréments de 25 mV
- 0,550 V à 3,700 V par incréments de 50 mV
- Micro-IQ, convertisseur Buck de 600 mA (330nA type IQ)
- 0,550 V à 1,180 V par incréments de 10 mV
- 0,550 à 2 125 V par incréments de 25 mV
- 0,550 V à 3,700 V par incréments de 50 mV
- LDO/commutateur de charge Micro-IQ LV (type1 µA IQ)
- Tension d’entrée de 1,0 V à 2,0 V
- Sortie de 50 mA
- Sortie de 0,5 V à 1,95 V, incréments de 25 mV
- LDO/commutateur de charge Micro-I Q (type 1 µA IQ)
- Tension d’entrée de 1,71 V à 5,5 V
- Sortie de 100 mA
- 0,9 V à 4 V, par incréments de 100 mV
- Convertisseur Buck-Boost Micro-IQ (2 µA type IQ)
- Sortie de 1,5 W
- 2,6 à 5 V par incréments de 50 mV
- 2 convertisseurs Buck de 400 mA, Micro-lQ (330 nA type IQ chacun)
- Chargement de batterie Li+ facile à mettre en œuvre
- Large plage de courant de charge rapide de 5 mA à 500 mA
- Entrée tolérante 28V/-5,5 V
- Profils de courant/tension JEITA programmables
- Minimise l’empreinte de la solution grâce à une haute intégration
- LDO de sortie sécurisé de 3,3 V ou 5,0 V
- 15 mA lorsque CHGIN est présent
- Pilote haptique ERM/LRA
- Freinage automatique (LRA uniquement)
- Suivi automatique de la résonance (LRA uniquement)
- LDO de sortie sécurisé de 3,3 V ou 5,0 V
- Prend en charge un large éventail d’options d’affichage
- Régulateur de surtension Micro-IQ (2,4 µA type IQ)
- Sortie de 300 mW
- 5 à 20 V par incréments de 250 mV
- Puits de courant à 3 canaux
- Tolérance de 20 V
- Programmable de 0,6 mA à 30 mA
- Contrôle de système optimisé
- Contrôleur à bouton-poussoir programmable
- Séquençage d’alimentation programmable
- Mode étagère d’usine
- Multiplexeur de surveillance de la tension/courant de charge et convertisseur analogique-numérique (CAN) sur puce
- Régulateur de surtension Micro-IQ (2,4 µA type IQ)
Applications
- Dispositifs portables
- IoT
Schéma fonctionnel simplifié
