Analog Devices Inc. Limiteurs de courant 7 A MAX17616/A
Les limiteurs de courant 7 A MAX17616/A d'Analog Devices Inc. offrent, pour les systèmes, des limites de protection hautement polyvalentes et programmables contre les défauts de tension d'entrée et les surintensités de sortie. Les défauts de tension d'entrée (avec polarité positive) sont protégés jusqu'à +80 V (sans protection contre les courants inverses) et +75 V (avec protection contre les courants inverses) par un nFET interne présentant une faible résistance à l'état passant (20 mΩ standard). Les dispositifs MAX17616/A d'Analog Devices Inc. offrent des seuils de verrouillage contre les sous-tensions (UVLO) programmables en utilisant des diviseurs de tension externes. Le MAX17616 dispose d'un verrouillage programmable contre les surtensions (OVLO), tandis que le MAX17616A est doté d'une fonction programmable de limitation de tension de sortie via la broche OVFB qui comporte une régulation de limitation detension de sortie pendant les événements de surtensions transitoires en entrée. La protection contre les sous-tensions d'entrée et contre les surtensions (MAX17616)/fonction de limitation de latension de sortie (MAX17616A) peut être programmée dans toute la plage de fonctionnement de 3 V à 80 V.Caractéristiques
- Une protection robuste réduit les temps d'arrêt du système
- Large plage d'alimentation d'entrée de +3 V à +80 V (sans protection contre les courants inverses)
- Large plage d'alimentation d'entrée de +3 V à +75 V (avec protection contre les courants inverses)
- Limite du courant programmable d'une précision de ±3 % entre 3 A et 7 A dans toute la plage de température
- Limite du courant programmable d'une précision de ±4 % entre 2 A et 3 A dans toute la plage de température
- Limite du courant programmable d'une précision de ±7 % entre 0,7 A et 2 A dans toute la plage de température
- Protection contre l'inversion de polarité de la tension d'entrée (avec nFET externe)
- Protection contre les courants inverses à double étage (avec nFET externe) avec un temps de réponse rapide de 100 ns
- nFET interne à RON faible (20 mΩ standard)
- Tension de sortie tolérant à l'inversion de polarité
- Protection contre les pertes de terre
- Capacité de surcharge à court terme de 200 %
- Protection programmable contre les surtensions (MAX17616A)
- Interface PMBus
- Surveillance des conditions de fonctionnement en temps réel, lecture de la tension et du courant
- Accès au registre des défauts et gestion du registre des défauts
- Commande marche/arrêt du dispositif
- Sélection du mode de limitation du courant
- Sélection de la limite du courant d'appel au démarrage
- Sélection du temps et de la limitation de surintensité à court terme
- Conception flexible pour maximiser la réutilisation et minimiser la requalification
- Seuils UVLO et (OVLO)/OVFB réglables
- Lecture de la surveillance du courant à large bande passante d'une précision de ±2 %, IMON (3 A à 7 A, jusqu'à +85 °C)
- Limite du courant d'appel lors du démarrage programmable
- Réponse de défaillance de limite de courant programmable : modes continu, relance automatique, et verrouillage
- Entrée d'activation de niveau logique (EN)
- Pilote de grille de transistor à effet de champ (nFET) de type N externe protégé
- Sortie de bonne alimentation (PGOOD)
- Détection de sous-tension de sortie programmable (OUTUV)
- Surveillance de la température de jonction (TJ)
- Limite du courant de repli thermique
- Empreinte de solution réduite
- Boîtier FCQFN à 23 broches de 4,5 mm x 5,75 mm
- NFET intégré pour les exigences de protection pour les cas d'utilisation courants
Applications
- Protections de la tension d'entrée et contre les surintensités de sortie : le MAX17616/MAX17616A interrompt le courant de charge et déconnecte la sortie de l'entrée en cas de défauts de tension d'entrée et de surintensités de sortie.
- Protection contre les pertes deterre : le MAX17616/MAX17616A interrompt le courant de charge et déconnecte la sortie de l'entrée en cas de pertes de terre, comme par exemple lorsque le fusible de sécurité à défaut unique saute sur son chemin de mise à la terre.
- Protection contre les surtensions : le MAX17616A dispose d'une régulation de limitation detension de sortie pendant les surtensions d'entrée transitoires pour protéger les charges connectées des événements de surtension d'entrée de courte durée.
Schéma d'application simplifié
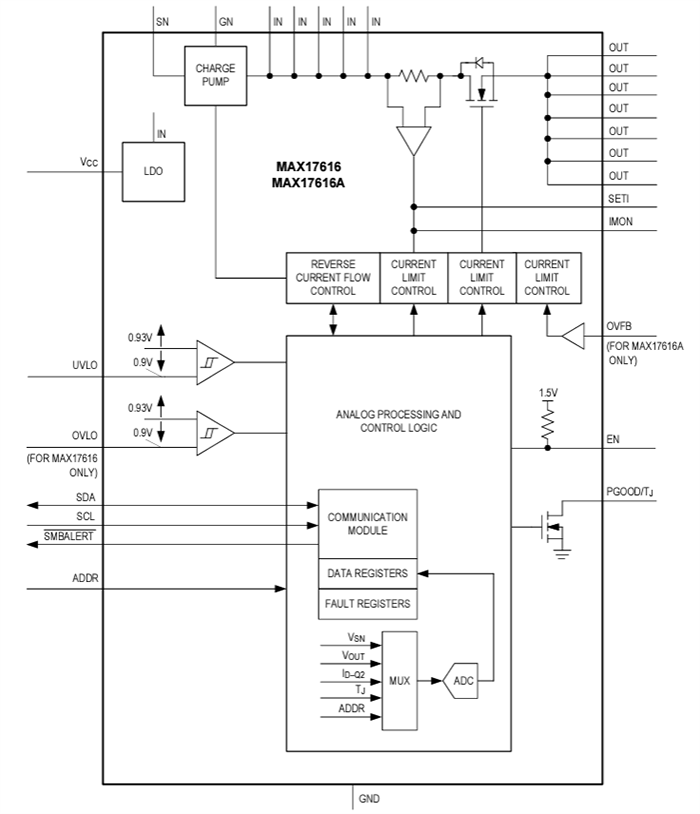
Schéma fonctionnel
Publié le: 2024-12-12
| Mis à jour le: 2025-01-16
