Analog Devices Inc. Quadruples régulateurs 40 Vɪⲛ µModule® LTM8051
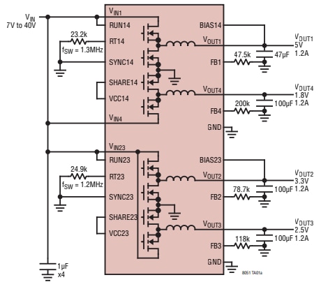
Les quadruples régulateurs 40 VIN μModule® Silent Switcher® LTM8051 d'Analog Devices Inc. sont des régulateurs abaisseurs de 1,2 A. L’architecture Silent Switcher minimise les EMI tout en offrant une haute efficacité à des fréquences pouvant atteindre 3 MHz. Ces régulateurs sont fournis avec des contrôleurs, des commutateurs de puissance, des inducteurs et des composants de prise en charge. Les régulateurs LTM8051 prennent en charge des tensions de sortie de 0,8 V à 8 V et une plage de fréquence de commutation de 300 kHz à 3 MHz, chacun étant défini par une seule résistance. Ces régulateurs sont disponibles en boîtier BGA (matrice à billes) surmoulé compact (6,25 mm × 11,25 mm × 2,22 mm), adapté à un assemblage automatisé par équipement de montage en surface standard. Les applications typiques incluent les équipements de test automatisés, la régulation de l’alimentation distribuée, les fournitures industrielles et les équipements médicaux.Caractéristiques
- Quatre alimentations électriques à commutation abaisseuses complètes
- Architecture de commutateur silencieux à faible bruit
- CISPR22, conforme avec classe B
- CISPR25, conforme avec classe 5
- Parallèle multiphasé ou multi-μmodule pour un courant de sortie accru
Applications
- Équipement de test automatisé
- Régulation de l’alimentation distribuée
- Fournitures industrielles
- Équipements médicaux
Caractéristiques techniques
- Large plage de tension d'entrée de 3 V à 40 V
- Large plage de tension de sortie de 0,8 V à 8 V
- Plage de fréquence de commutation sélectionnable 300 kHz à 3 MHz
- Boîtier BGA compact à montage en surface (6,25 mm × 11,25 mm × 2,22 mm)
- Courant de sortie continu de 1,2 A par canal à 12 VIN et 3,3 VOUT à TA = 85 °C
- Courant de sortie continu de 1,5 A par canal à 12 VIN et 3,3 VOUT à TA = 60 °C
- Plage de température de fonctionnement de -40 °C à 125 °C
Schéma fonctionnel
Schéma de circuit d'application standard
Graphique de performance
Publié le: 2020-10-30
| Mis à jour le: 2024-11-26
