Analog Devices Inc. Convertisseurs de bus µModule® abaisseurs hybrides LTM4654
Les convertisseurs de bus µModule® abaisseurs hybrides LTM4654 d'Analog Devices sont des convertisseurs complets de bus de puissance μModule (micromodule) CC/CC abaisseurs à topologie hybride et à mode commutation de source/dissipation de sortie de 300 W. Le LTM4654 est conçu pour fournir jusqu'à 25 A de courant de sortie à partir de tensions d'entrée allant de 20 V à 55 V. Logés dans un boîtier BGA compact, ces convertisseurs Analog Devices intègrent un circuit intégré de contrôle de commutation, des MOSFET de puissance, des composants magnétiques et des composants de soutien, ce qui simplifie considérablement la conception du système d'alimentation et réduit la surface de la carte. Le LTM4654 apporte un rapport de tension d'entrée à sortie fixe de 5:1, ce qui le rend idéal pour convertir des rails de bus intermédiaires haute tension en tensions inférieures dans les applications de télécommunications, industrielles et automobiles.Le LTM4654 fonctionne dans les deux sens, avec synchronisation de fréquence, exploitation en Burst Mode®, démarrage en douceur de la tension de sortie et suivi. Une diode de température intégrée est disponible pour la surveillance de la température. Ces convertisseurs offrent d'excellentes performances thermiques, une forte densité de puissance et des fonctions de protection robustes, notamment contre les surtensions, les surintensités et les arrêts thermiques. Le LTM4654, facile à utiliser et fiable, est une solution puissante pour les concepteurs recherchant une conversion d'énergie compacte et efficace dans des environnements exigeants.
Caractéristiques
- Plage de tension d'entrée de 20 V à 55 V, maximum absolu de 57 V
- Large plage de tension de sortie de 4,5 V à 18 V (VOUT <>IN/2)
- Efficacité de 96,7 % (sortie de 9 V à ±15 A, 48 VIN)
- Erreur totale maximale de sortie CC de ±3 %
- Puissance de sortie pouvant atteindre 300 W (source/puits)
- Adaptable pour des applications à puissance plus élevée
- Contrôle en mode courant à fréquence fixe
- Synchronisation externe à verrouillage de phase de 200 kHz à 1 MHz
- Courant de démarrage faible avec équilibrage de la tension de CFLY et CMID avant l'action de commutation CC-CC
- Suivi de la tension de sortie avec démarrage progressif
- Protection contre les court-circuits avec relance du minuteur réglable
- Protection contre les surintensités et les surchauffes
- Détecteur thermostatique de diode embarqué
- Entrée de référence externe optionnelle
- Indicateurs de sortie Power Good et FAULT
- Température de fonctionnement interne de -40 °C à +125 °C
- Boîtier BGA, 16 mm × 16 mm × 8,96 mm, 120 pattes
- Conforme RoHS
Applications
- Architectures d'alimentation intermédiaire du bus non isolées
- Équipements de télécommunications, de mise en réseau et de test/mesure
- Industriel
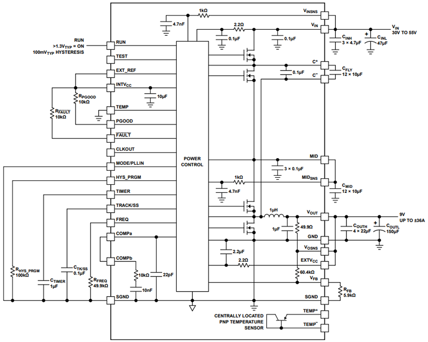
Application standard
Schéma de principe
Publié le: 2025-05-23
| Mis à jour le: 2025-05-28
