Analog Devices Inc. Contrôleurs Buck synchrones LTC7897
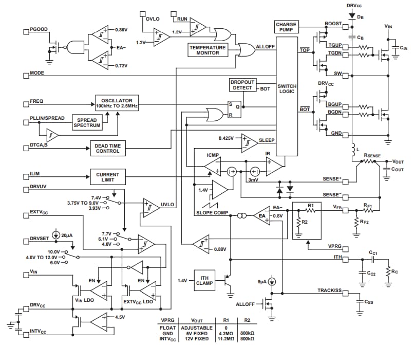
Les contrôleurs Buck synchrones LTC7897 d’Analog Devices sont des contrôleurs de régulateurs à découpage DC/DC hautes performances, capables de fonctionner avec un cycle utile de 100 %, pilotant tous les étages de puissance MOSFET synchrones à canal N. Le redressement synchrone améliore le rendement, réduit les pertes de puissance et simplifie la conception des applications en diminuant les contraintes thermiques.Les larges plages tension de sortie et d'entrée du système ADI LTC7897 permettent d'obtenir des rapports de réduction élevés et une grande variété de conversion detension positive à négative. Les pilotes de grilles du système LTC7897 offrent robustesse avec une valeur max absolue de 15 V et une flexibilité grâce à des niveaux de pilotage et de temps morts réglables pour optimiser les applications. La tension de pilotage de grille du LTC7897 peut être réglée en option de 5 V à 10 V pour permettre l'utilisation de MOSFET à seuil logique ou standard. Les temps morts du LTC7897 peuvent être optimisés à l'aide de résistances externes, soit pour ajouter une marge, soit pour adapter l'application en vue d'une meilleure efficacité et d'un fonctionnement à haute fréquence.
Caractéristiques
- Large plage VIN de 4 V à 135 V (140 V ABS Max)
- Vaste plage de tensions de sortie de 0,8 V ≤ VOUT ≤ 135 V (140 V valeur maximale absolue)
- Niveau de pilotage de grille réglable de 5 V à 10 V (OPTI-DRIVE, 15 V valeur maximale absolue)
- Tension UVLO du pilote réglable
- Commandes de grilles à sorties séparées pour régler la force de pilotage à l’allumage et à l’extinction
- Temps morts adaptatifs ou réglables par résistance
- Fonctionnement à 100 % du rapport cyclique
- Faible courant de repos IQ de 5 μA (de 48 V d'entrée à 3,3 V de sortie)
- Modulation de fréquence à spectre étendu
- Fréquence programmable (de 100 kHz à 2,5 MHz)
- Fréquence synchronisable (de 100 kHz à 2,5 MHz)
- Boîtier QFN à 28 broches (4 mm x 5 mm)
Applications
- Systèmes d’alimentation industriels
- Militaire/avionique
- Systèmes d'alimentation de télécommunications
Application standard
Rendement VOUT
Schéma fonctionnel
