Analog Devices Inc. Contrôleur Buck-Boost à 4 commutateurs LTC7878
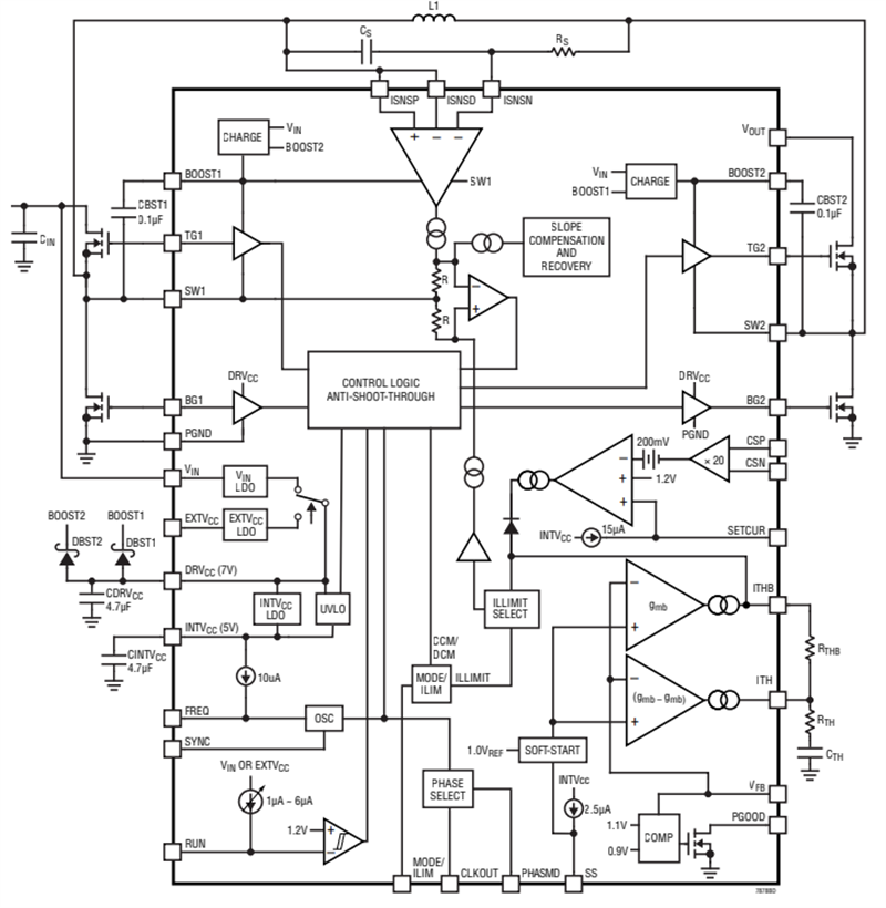
Le contrôleur Buck-Boost à 4 commutateurs LTC7878 d’Analog Devices Inc. est un dispositif régulateur de commutation à hautes performances fonctionnant à partir d’une tension d’entrée supérieure, inférieure ou égale à la tension de sortie. Une architecture en mode courant de crête à fréquence constante permet une fréquence de commutation verrouillable en phase jusqu’à 600 kHz. La boucle de courant d’entrée/sortie programmable régule le courant d’entrée/sortie moyen pour prendre en charge précisément les applications de charge de batterie. Une large plage d’entrée/sortie de 5 V à 70 V et des transitions fluides à faible bruit entre les zones de fonctionnement rendent le LTC7878 idéal pour les systèmes industriels et télécoms.Le LTC7878 dispose d’un fonctionnement en mode continu forcé (FCM)/mode saut d’impulsion et prend en charge un fonctionnement parallèle multiphase/multi-CI pour les applications à haute puissance. Le contrôleur en boîtier QFN à 32 fils à profil mince dispose d’une limite de courant de crête d’inductance programmable, d’une alimentation auxiliaire smart EXTVCC et de pilotes de grille à canal N 7 V. Une broche PGOOD indique quand la sortie est à moins de 10 % de son point de consigne défini.
Caractéristiques
- L'architecture à inductance unique permet à la valeur VIN d'être supérieure, inférieure ou égale à la valeur VOUT régulée.
- Redressement synchrone avec un rendement pouvant atteindre 98 %
- Large plage VIN de 5 V à 70 V
- Précision de tension de sortie ±1 % (1 V ≤ VOUT ≤ 70 V)
- Détection de courant DCR ou RSENSE
- Contrôle du mode courant de crête en mode Buck/Boost/BuckBoost
- Régulation de courant d’entrée ou de sortie Programmable
- Pilotes de grille NMOS 7 V
- Fréquence de verrouillage de phase (100 kHz à 600 kHz)
- Fonctionnement parallèle multiphase/multi-CI
- Mode continu ou saut d’impulsion sélectionnable
- Limites de courant de crête d'inductance et fonctionnement
- Petit boîtier QFN à 32 fils de 5 mm2
- Plage de température de jonction de fonctionnement de -40 °C à +125 °C
Applications
- Systèmes de télécommunications et industriels
- Systèmes de batterie et d’alimentation CC distribués
Application standard
Schéma fonctionnel
Publié le: 2022-12-29
| Mis à jour le: 2023-06-06
