Analog Devices Inc. LTC7852 Switching Controllers
Analog Devices LTC7852 Switching Controllers offer 6-phases and dual output current mode synchronous step-down switching. The LTC7852 works in conjunction with external power train devices such as DrMOS, power blocks, or discrete N-channel MOSFETs and associated gate drivers. The device has a flexible design enabling 1-, 2-, 3-, 4-, 5-, and 6-phase configurations. The LTC7852 provides a unique feature that enhances the signal-to-noise ratio of the current sense signal. This feature allows the use of inductors with very low DC winding resistances for maximum efficiency.Features
- Sub-Milliohm DCR sensing or DrMOS with current sense improves efficiency
- Operates with power blocks, DrMOS or external gate drivers and MOSFETs
- ±0.5% Total output voltage accuracy
- tON(MIN) = 40ns, Capable of very low duty cycles at high frequency
- Dual differential remote sensing amplifiers
- Flexible phase configuration
- Dual output current monitoring
- Programmable frequency range of 250kHz to 1.2MHz
- VIN Range is not limited by IC
- 4.5V to 5.5V VCC Range
- 0.5V to 2.0V VOUT Range
- 48 Lead (5mm × 6mm) GQFN for LTC7852
- 36 Lead (4mm × 5mm) QFN for LTC7852-1
Applications
- Computer systems
- Telecom and datacom systems
- DC Power distribution systems
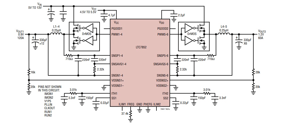
Typical Application
Videos
Publié le: 2019-04-12
| Mis à jour le: 2023-10-03
