Analog Devices Inc. Contrôleurs abaisseurs synchrones LTC7803
Les contrôleurs abaisseurs synchrones LTC7803 d'Analog Devices Inc. sont des contrôleurs régulateurs de commutation CC/CC abaisseurs synchrones, compatibles avec un rapport cyclique à 100 % hautes performances qui pilotent un étage MOSFET de puissance à canal N. La rectification synchrone augmente le rendement, réduit les pertes d'énergie et simplifie les exigences thermiques. Une architecture de mode courant à fréquence constante permet une fréquence de commutation verrouillable en phase jusqu'à 3 MHz. Les contrôleurs abaisseurs synchrones LTC7803 d'Analog Devices fonctionnent sur une large plage d'alimentation d'entrée de 4,5 V à 40 V.Le faible courant de repos à vide prolonge la durée de fonctionnement dans les systèmes alimentés par batterie. La compensation OPTI-LOOP permet d'optimiser la réponse transitoire sur une large plage de valeurs de capacité de sortie et d'ESR. La broche MODE sélectionne le fonctionnement en mode rafale, le mode saut d'impulsion ou le mode courant d'inductance continue à faible charge. Le LTC7803 dispose également d’un fonctionnement à spectre étalé, qui réduit considérablement le bruit de crête rayonné et conduit sur les alimentations d’entrée et de sortie, ce qui facilite la conformité aux normes de brouillage électromagnétique (EMI).
Caractéristiques
- IQ de fonctionnement faible de 12 µA (de 14 V VIN à 3,3 V VOUT)
- Large plage de tension d'entrée de 4,5 V à 40 V
- Tension de sortie jusqu'à 40 V
- Fonctionnement à spectre étalé
- Détection de courant RSENSE ou DCR
- Compatible avec le rapport cyclique à 100 %/PassThru™
- Fonctionnement du rapport cyclique à 100 %
- Plage de fréquence fixe programmable de 100 kHz à 3 MHz
- Plage de fréquence verrouillable en phase de 100 kHz à 3 MHz
- Fonctionnement Burst Mode® à faible ondulation, saut d’impulsion ou continu sélectionnable à faible charge
- IQ d'arrêt faible de 1,2 μA
- Boîtiers QFN et MSOP de 3 mm × 3 mm à 16 broches endurcis thermiquement
- Homologation AEC-Q100 en cours
Applications
- Automobile et transport
- Industriel
- Militaire/avionique
- Télécommunications
Vidéos
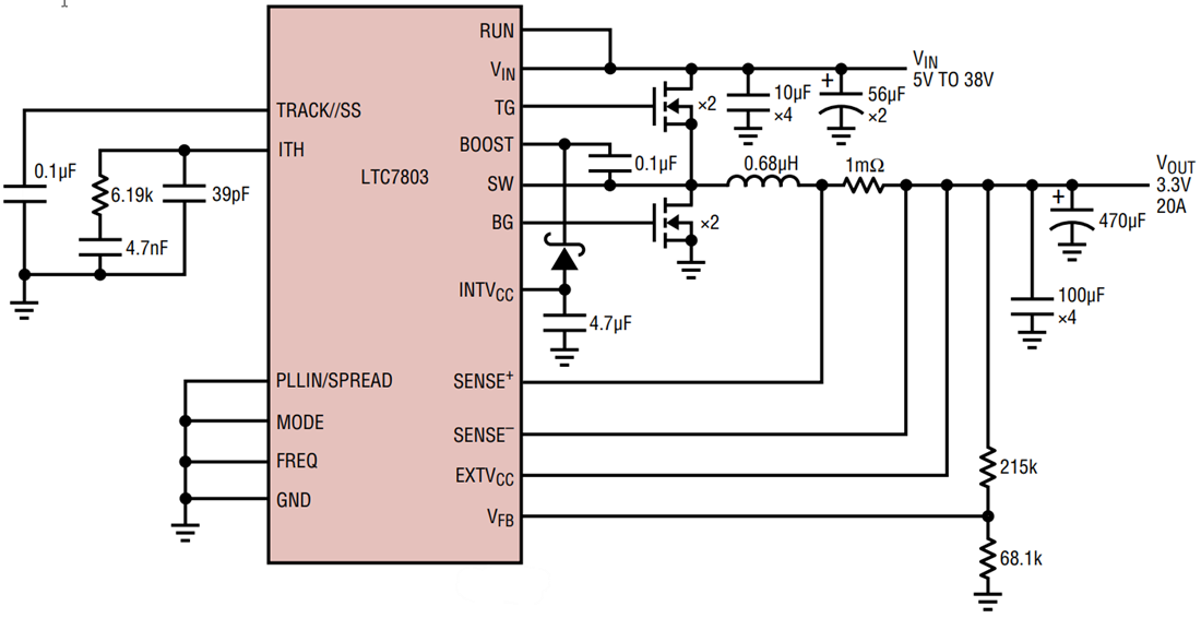
Application standard
Publié le: 2020-06-05
| Mis à jour le: 2024-10-07
